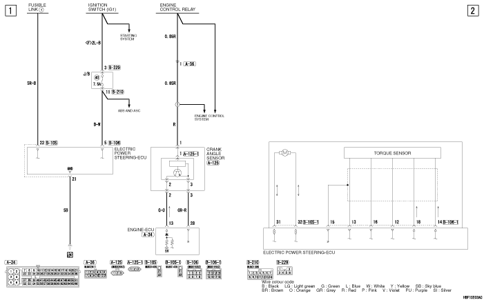
ELECTRIC POWER STEERING SYSTEM <4G1>






ELECTRIC POWER STEERING SYSTEM <4G1> (CONTINUED)