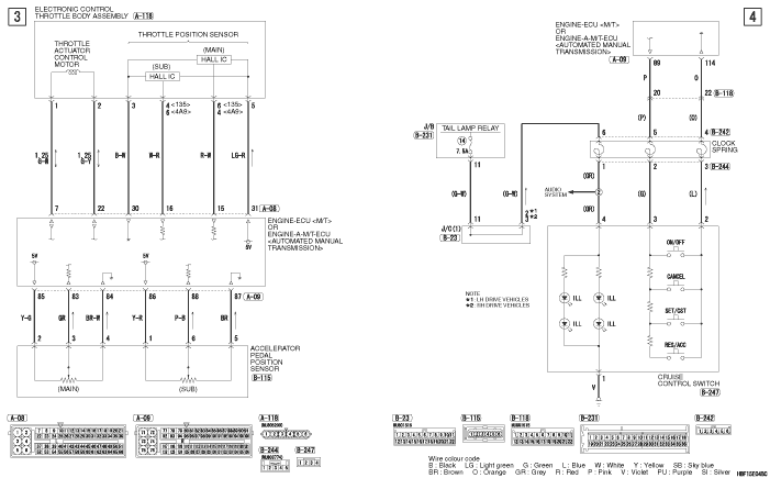
CRUISE CONTROL SYSTEM <135, 4A9>






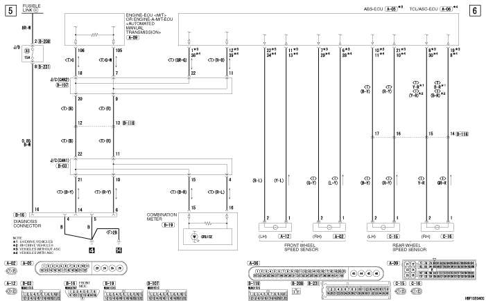
CRUISE CONTROL SYSTEM <135, 4A9> (CONTINUED)





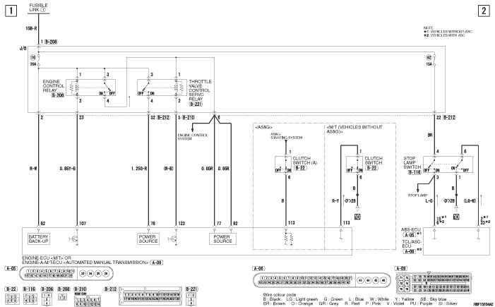
CRUISE CONTROL SYSTEM <135, 4A9> (CONTINUED)