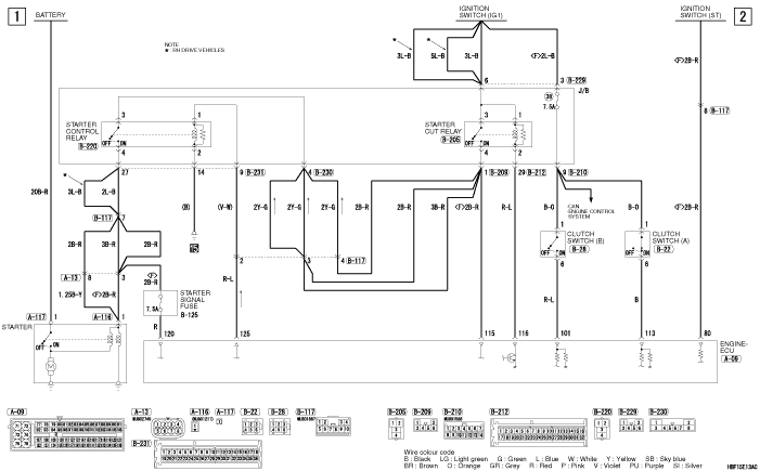
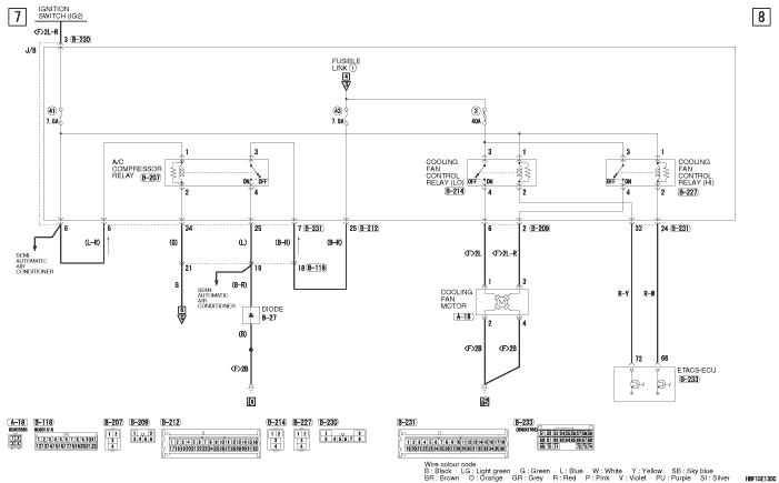
AUTO STOP & GO (AS&G) SYSTEM






AUTO STOP & GO (AS&G) SYSTEM (CONTINUED)





AUTO STOP & GO (AS&G) SYSTEM (CONTINUED)





AUTO STOP & GO (AS&G) SYSTEM (CONTINUED)





AUTO STOP & GO (AS&G) SYSTEM (CONTINUED)