


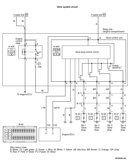
DIAGNOSTIC PROCEDURE |
STEP 1. Connector check: A-30X glow control unit connector |
Q.
Is the check result normal?
|
Go to Step 2 . |
|
Repair or replace the connector. |
|
STEP 2. Connector check: B-34 No. 1 glow plug connector, B-35 No. 2 glow plug connector, B-36 No. 3 glow plug connector and B-37 No. 4 glow plug connector. |
Q.
Is the check result normal?
|
Go to Step 3 . |
|
Repair or replace the connector. |
|
STEP 3. Check harness between A-30X (terminal No.1) glow control unit connector and B-34 (terminal No.1) No.1 glow plug connector. |
|
|
Q.
Is the check result normal?
|
Go to Step 4 . |
|
Repair the damaged harness wire. |
|
STEP 4. Check harness between A-30X (terminal No. 2) glow control unit connector and B-35 (terminal No. 1) No.2 glow plug connector. |
|
|
Q.
Is the check result normal?
|
Go to Step 5 . |
|
Repair the damaged harness wire. |
|
STEP 5. Check harness between A-30X (terminal No. 3) glow control unit connector and B-36 (terminal No. 1) No.3 glow plug connector. |
|
|
Q.
Is the check result normal?
|
Go to Step 6 . |
|
Repair the damaged harness wire. |
|
STEP 6. Check harness between A-30X (terminal No. 4) glow control unit connector and B-37 (terminal No. 1) No.4 glow plug connector. |
|
|
Q.
Is the check result normal?
|
Go to Step 7 . |
|
Repair the damaged harness wire. |
|
STEP 7. Replace the glow control unit. |
|
Q.
Is the diagnosis code set?
|
Replace the engine-ECU. |
|
Check is end. |
|