|
|
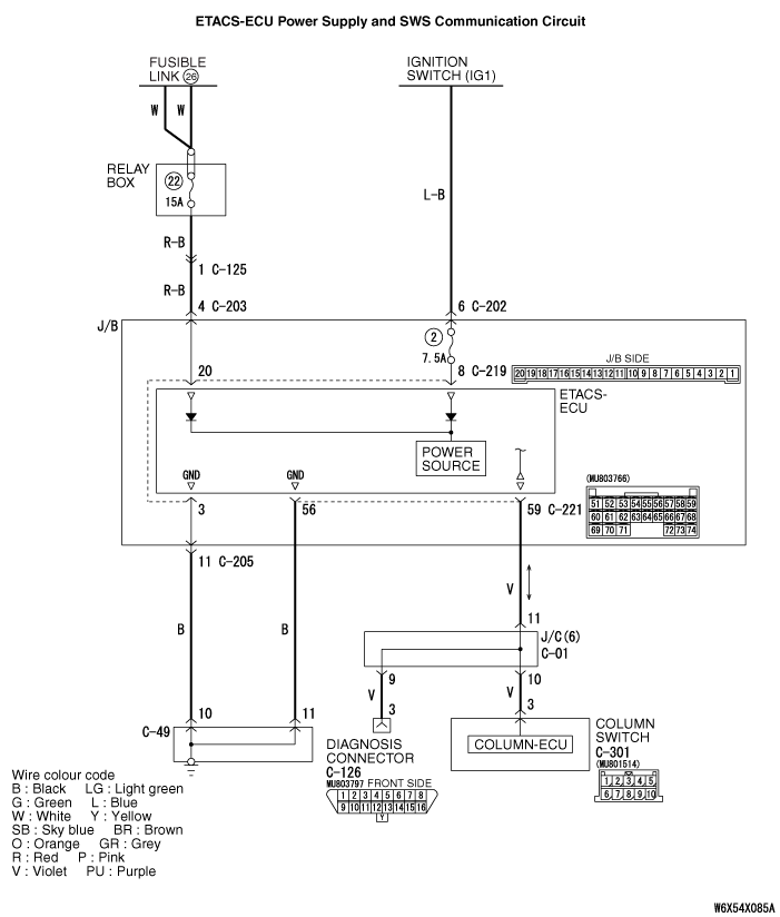
It is suspected that the power supply circuit to the ETACS-ECU is defective, or the wiring harness between the SWS monitor and the ETACS-ECU or their connector(s) is damaged. If the battery power supply circuit to the ECU (terminal No.20 of the ETACS-ECU) is damaged, also check the power supply circuit from the ignition switch (IG1) (terminal No.8 of the ETACS-ECU), and repair if necessary. If the earth circuit to the ECU (terminal No.3 of the ETACS-ECU) is defective, also check the earth circuit to the sensor (terminal No.56 of the ETACS-ECU), and repair if necessary.
|
|
|
- Malfunction of the ETACS-ECU
- Damaged harness wires and connectors
|


|
Q.
Is the check result normal?
Go to Step 2.
Repair the defective connector.
|


|
(1)Remove the ETACS-ECU, and measure at the junction block side.
|

|
(2)Voltage between C-219 ETACS-ECU connector terminal No.20 and body earth OK: System voltage
Q.
Is the check result normal?
Go to Step 4.
Go to Step 3.
|




|
| note |
Prior to the wiring harness inspection, check intermediate connector C-125 and junction block connector C-203, and repair if necessary.
|
- Check the power supply line for open circuit.
Q.
Is the check result normal?
The trouble can be an intermittent malfunction (Refer to GROUP 00 - How to Cope with Intermittent Malfunction ).
Repair the wiring harness.
|


|
(1)Remove the ETACS-ECU, and measure at the junction block side.
|

|
(2)Resistance between C-219 ETACS-ECU connector terminal No.3 and body earth OK: 2 Ω or less
Q.
Is the check result normal?
Go to Step 7.
Go to Step 5.
|


|
Q.
Is the check result normal?
Go to Step 6.
Repair the defective connector.
|


|
| note |
Prior to the wiring harness inspection, check junction block connector C-205, and repair if necessary.
|
- Check the earth wires for open circuit.
Q.
Is the check result normal?
The trouble can be an intermittent malfunction (Refer to GROUP 00 - How to Cope with Intermittent Malfunction ).
Repair the wiring harness.
|




|
Q.
Is the check result normal?
Go to Step 8.
Repair the defective connector.
|




|
- Check the communication lines for open circuit.
|


|
| note |
Prior to the wiring harness inspection, check joint connector C-01, and repair if necessary.
|
Q.
Is the check result normal?
Go to Step 9.
Repair the wiring harness.
|
|
|
OK: "OK" is displayed on the "ETACS ECU" menu.
|
|
|
Q.
Is the check result normal?
|
|
|
The trouble can be an intermittent malfunction (Refer to GROUP 00 - How to Cope with Intermittent Malfunction ).
|
|
|
|