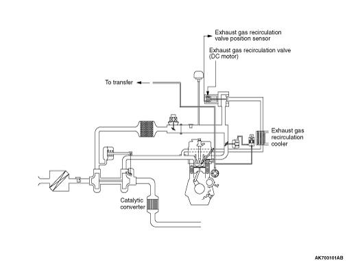
VACUUM HOSE PIPING DIAGRAM <4M41>