REMOVAL


NNFIA0047GB.JPG

1.
Caliper




Refer to Components for the symbols in the figure.

 
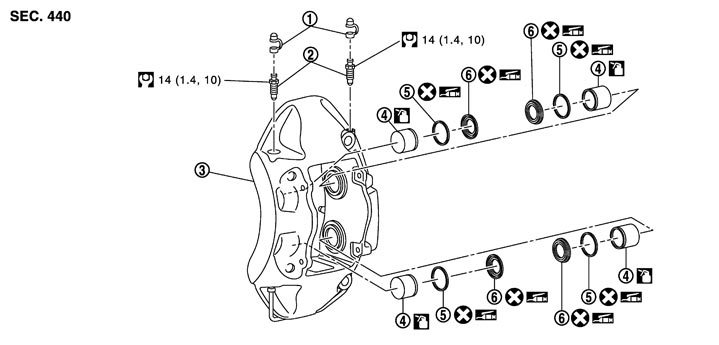
 DISASSEMBLY


NNFIA0048GB.JPG

1.
Cap
2.
Bleeder valve
3.
Caliper
4.
Piston
5.
Piston seal
6.
Piston boot
: Apply rubber grease.
: Apply brake fluid.
Refer to Components for symbols not described on the above.