REMOVAL

    1.Remove the passenger seat. Refer to Removal and Installation.
    2.Remove the seat cushion trim and the seat cushion pad. Refer to Disassembly and Assembly.
    3.Disconnect the heated seat control unit connector.
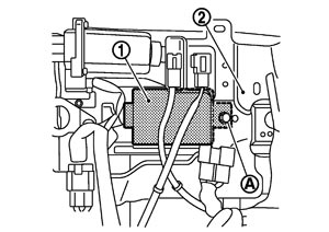
    4.Remove the heated seat control unit mounting bolt (A) and nut.
    JMJIA2118ZZ.JPG
    5.Remove the heated seat control unit (1) from the seat cushion frame (2).

 
 INSTALLATION

Note the following, and install in the reverse order of removal.
■ CAUTION ■
  • When performing the work, use shop cloths to protect the parts from damage.
  • Always fix the harness clamp in the normal position.