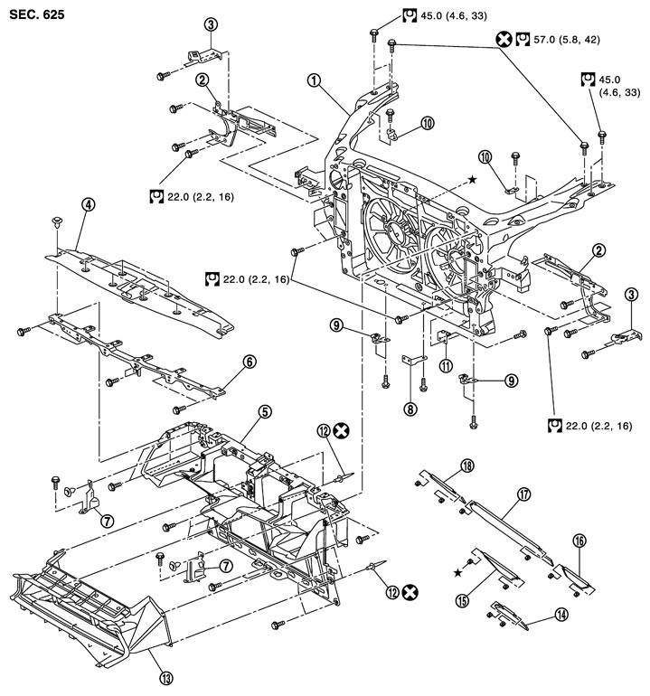
1.
|
Radiator core support assembly
|
2.
|
Hood lock bracket assembly (LH/RH)
|
3.
|
Bumper clip bracket (LH/RH)
|
4.
|
Radiator cover
|
5.
|
Air intake duct assembly 1
|
6.
|
Bumper fascia bracket
|
7.
|
Air guide bracket (LH/RH)
|
8.
|
Air duct bracket lower
|
9.
|
Radiator under bracket (LH/RH)
|
10.
|
Air cleaner bracket (LH/RH)
|
11.
|
Power steering pipe bracket
|
12.
|
Rivet
|
13.
|
Air intake duct assembly 2
|
14.
|
Flap (lower)
|
15.
|
Flap (center)
|
16.
|
Flap (LH)
|
17.
|
Flap (upper)
|
18.
|
Flap (RH)
|
Refer to Components for the symbol shown in the figure.
|