■ CAUTION ■
- Be careful of being burned because the rear bumper guard is very hot after driving.
- The bumper fascia is made of resin. Never apply strong force to it, and be careful to prevent contact with oil.
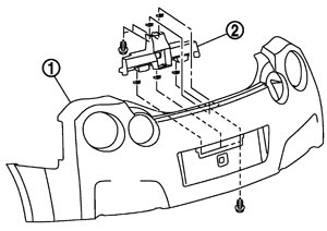
 REMOVAL
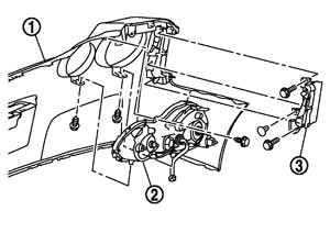
 INSTALLATION
Install in the reverse order of removal. NOTE: Clearance between rear bumper and each unit.  Portion
| Clearance
| Surface height difference
| Rear bumper and rear fender
| A – A
| 0.0 – 0.8 mm (0.000 – 0.031 in)
| −1.8 – 0.2 mm (−0.071 – 0.008 in)
| Rear bumper and trunk lid
| B – B
| 2.0 – 6.0 mm (0.079 – 0.236 in)
| −2.0 – 1.0 mm (−0.079 – 0.039 in)
| Rear bumper and trunk lid
| C – C
| 2.0 – 6.0 mm (0.079 – 0.236 in)
| −1.9 – 1.9 mm (−0.075 – 0.075 in)
| Rear bumper and trunk lid
| D – D
| 4.0 – 8.0 mm (0.157 – 0.315 in)
| —
|
|