NNKIA0107GB.JPG

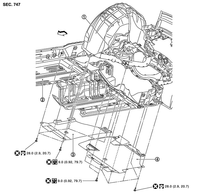
1.
Rear suspension member
2.
Floor assembly
3.
Front diffuser LH
4.
Front diffuser RH




: Vehicle front
Refer to Components for symbols in the figure.