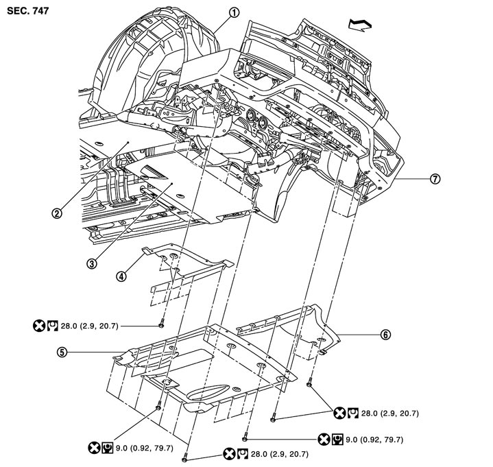
Rear diffuser construction
1.
|
Rear wheel house protector LH
|
2.
|
Front diffuser LH
|
3.
|
Front diffuser RH
|
4.
|
Rear diffuser LH
|
5.
|
Rear diffuser (center)
|
6.
|
Rear diffuser RH
|
7.
|
Rear bumper fascia (lower)
|
|
|
|
|
|
: Vehicle front
|
|
|
|
|
Refer to Components for symbols in the figure.
|
Installation position for clip
1.
|
Rear wheel well protector LH
|
2.
|
Rear diffuser assembly
|
3.
|
Rear bumper fascia (lower)
|
|
: Vehicle front
|
|
|
|
|
Bracket construction
1.
|
Rear panel assembly
|
2.
|
Diffuser bracket A LH
|
3.
|
Diffuser bracket A RH
|
4.
|
Diffuser center bracket
|
5.
|
Diffuser bracket B RH
|
6.
|
Diffuser bracket B LH
|
7.
|
Diffuser bracket C RH
|
8.
|
Diffuser bracket C LH
|
|
|
Refer to Components for symbols in the figure.
|
|