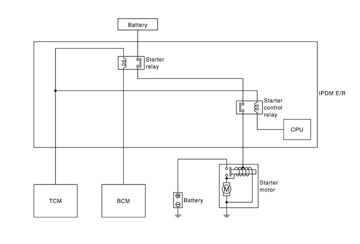
JPBIA0395GB.JPG