REMOVAL

    1.Remove center console assembly. Refer to Exploded View.
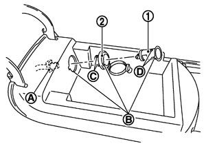
    2.Disconnect power socket connector (A).
    JPMIA1084ZZ.JPG

    B
    : Cut out

    3.Pull out inner socket (1) by pushing the ring pawl (C) from the inner socket hole (square) (D).
    4.Remove ring (2) from center console assembly while pressing pawls.
 
 INSTALLATION

Install in the reverse order of removal.
NOTE:
Align the cut outs of inner socket, ring, and center console assembly.