 REMOVAL
1.Remove battery cover.
2.Remove the clips (A), and remove hoodledge cover RH (1).

3.Remove cowl top cover RH. Refer to Exploded View.
4.Remove cover of battery positive terminal.
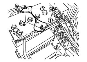
5.Loosen battery terminal nuts (1), and disconnect both battery cables from battery terminals.

■ CAUTION ■ When disconnecting, disconnect the battery cable from the negative terminal first.
6.Remove battery fix frame mounting nuts (2) and battery fix frame (3).
7.Remove battery.
 INSTALLATION
Install in the reverse order of removal. ■ CAUTION ■ When connecting, connect the battery cable to the positive terminal first.Battery fix frame mounting nut
| : 3.82 N·m (0.39 kg-m, 34 in-lb)
| Battery terminal nut
| : 5.4 N·m (0.55 kg-m, 48 in-lb)
|
Reset electronic systems as necessary. Refer to Required Procedure After Battery Disconnection.
|