 DISASSEMBLY
■ CAUTION ■
Always shift the shift lever in the N position when performing disassembly and assembly of control device assembly.
1.Press the shift lock release button, and then shift the shift lever in the N position.
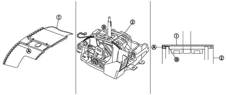
2.Insert a screwdriver into tabs (A: 4 locations), and remove the position indicator plate (1) from the control device assembly (2) while lifting it up.

■ CAUTION ■ The tabs crack easily. Be careful when removing.
3.Remove the starter switch from the position indicator plate.
4.Remove the slide cover from the control device assembly.
 Assembly
Note the following, and assemble in the reverse order of disassembly. - Align the convex area (A) of slide cover (1) with the convex area (B) of control device assembly (2) as shown in the figure, and then install the position indicator plate. Check the shift lever movement after installation. Assemble again if any malfunctioning condition is detected.

|