1.Turn the ignition switch ON, and check that the air bag warning lamp blinks.
2.There are 2 blinking patterns for the air bag warning lamp. One is a 3-second blink followed by a 0.5- second blink repeat. The other is two 1.5-second blinks followed by a 0.5-second blink repeat.

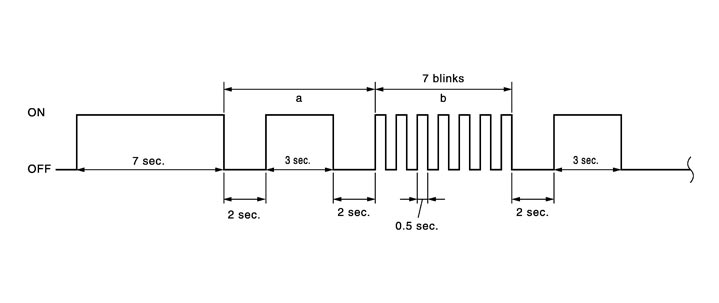
An Example of a 3-second Blink Followed by a 0.5-second Blink Repeat
a through b are repeated.
b: Seven 0.5-second blinks indicate that the air bag diagnosis sensor unit circuit is malfunctioning.

Number of 0.5-second Blinks After a 3-second Blink Indicates Malfunctioning Items
Number of 0.5-second blinks
|
Malfunctioning items
|
Blinking pattern
|
0
|
Self-diagnosis result is not deleted
|
—
|
1
|
Front LH seat belt pre-tensioner
|
Refer to the following
|
2
|
Driver air bag module
|
Refer to the following
|
3
|
Front RH seat belt pre-tensioner
|
Refer to the following
|
5
|
Occupant Classification System control unit
|
Refer to the following
|
6
|
Crash zone sensor
|
Refer to the following
|
7
|
Air bag diagnosis sensor unit
|
Refer to the following
|
8
|
Front passenger air bag module
|
Refer to the following
|
11
|
Front passenger air bag OFF indicator
|
Refer to DTC Logic.
|

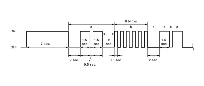
An Example of Two 1.5-second Blinks Followed by a 0.5-second Blink Repeat
a through b are repeated.
b: Six 0.5-second blinks indicate that the LH side curtain air bag module circuit is malfunctioning.

Number of 0.5-second Blinks After Two 1.5-second Blinks Indicates Malfunctioning Items
Number of 0.5-second blinks
|
Malfunctioning items
|
B linking pattern
|
1
|
Front RH side air bag module
|
Refer to the following
|
2
|
Front LH side air bag module
|
Refer to the following
|
3
|
RH satellite sensor
|
Refer to the following
|
4
|
LH satellite sensor
|
Refer to the following
|
5
|
RH side curtain air bag module
|
Refer to the following
|
6
|
LH side curtain air bag module
|
Refer to the following
|