 DISASSEMBLY
1.Remove the following parts:
2.Remove knock sensor.■ CAUTION ■ Carefully handle knock sensor avoiding shocks.
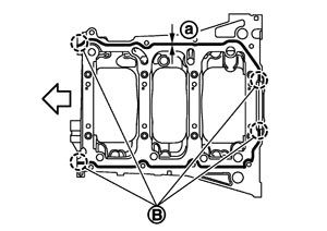
3.Remove breather separator.
(1)Loosen mounting bolts in reverse order as shown in the figure.


| : Engine front
|
4.Remove piston and connecting rod assembly with the following procedure:■ CAUTION ■ Be careful not to drop connecting rod bearing, and to scratch the surface.
(1)Position crankshaft pin corresponding to connecting rod to be removed onto the bottom dead center.
(2)Remove connecting rod bearing cap.
(3)Using a hammer handle or similar tool, push piston and connecting rod assembly out to the cylinder head side.

■ CAUTION ■ Be careful not to damage the cylinder wall and crankshaft pin, resulting from an interference of the connecting rod big end.
5.Remove connecting rod bearings from connecting rod and connecting rod bearing cap.■ CAUTION ■ - Be careful not to drop connecting rod bearing, and to scratch the surface.
- Identify installation positions, and store them without mixing them up.
6.Remove piston rings from piston.■ CAUTION ■ - When removing piston rings, be careful not to damage piston.
- Be careful not to damage piston rings by expanding them excessively.
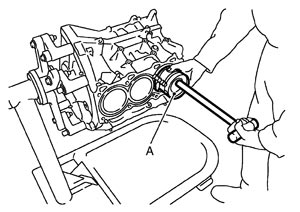
7.Remove piston from connecting rod as follows:
(1)Using a snap ring pliers (A), remove snap rings.

(2)Heat piston to 60 to 70°C (140 to 158°F) with an industrial use drier (A) or equivalent.

(3)Push out piston pin with stick of outer diameter approximately 20 mm (0.79 in).

8.Remove lower cylinder block bolts as follows:
(1)Loosen lower cylinder block bolts in several steps in the reverse order shown in the figure.


| : Engine front
|
(2)Pry off the notch (A) located at lower cylinder block with a suitable tool to separate the liquid gasket.


| : Engine front
|
■ CAUTION ■ Be careful not to damage the mounting surfaces.
9.Remove rear oil seal.
10.Remove crankshaft.
11.Remove main bearings and thrust bearings from cylinder block and lower cylinder block.■ CAUTION ■ - Be careful not to drop main bearing, and to scratch the surface.
- Identify installation positions, and store them without mixing them up.
12.Remove oil jet.
 ASSEMBLY
1.Fully air-blow engine coolant and engine oil passages in cylinder block, cylinder bore and crankcase to remove any foreign material.■ CAUTION ■ Use a goggles to protect your eye.
2.Install each plug to cylinder block as shown in the figure.

| : Engine front
|

- Apply sealant to the thread of water drain plug (3).Use Genuine RTV Silicone Sealant or equivalent. Refer to Recommended Chemical Products and Sealants.
- Apply sealant to the thread of plugs (2), (4).Use Genuine High Strength Thread Locking Sealant or equivalent. Refer to Recommended Chemical Products and Sealants.
- Replace washers (1) with new one.
- Tighten each plug as specified below.
Part
| Washer
| Tightening torque
| 2
| Yes
| 53.9 N·m (5.5 kg-m, 40 ft-lb)
| 3
| No
| New
| 6.0 N·m (0.61 kg-m, 4 ft-lb)
| Reused
| 9.8 N·m (1.0 kg-m, 7 ft-lb)
| 4
| Yes
| 62.7 N·m (6.4 kg-m, 46 ft-lb)
| 5
| Yes
| 78.0 N·m (8.0 kg-m, 58 ft-lb)
|
3.Install breather separator.
(1)Apply a continuous bead of liquid gasket with the cartridge gun (commercial service tool) to breather separator as shown in the figure.

a
| : φ2.5 mm (0.098 in) dia
| 
| : Engine front
|
Use Genuine RTV Silicone Sealant or equivalent. Refer toRecommended Chemical Products and Sealants.
(2)Tighten mounting bolts in reverse order as shown in the figure.


| : Engine front
|
4.Install oil jet.- Insert oil jet into cylinder block dowel pin hole (A), and tighten mounting bolts.


| : Engine front
|
5.Install main bearings and thrust bearings as follows:■ CAUTION ■ Be careful not to drop main bearing, and to scratch the surface.
(1)Remove dust, dirt, and engine oil on bearing mating surfaces of cylinder block and lower cylinder block.
(2)Install thrust bearings to the both sides of the No. 3 journal housing on cylinder block.- Install thrust bearings (1) with the oil groove (E) facing crankshaft arm (outside).

A
| : No. 1
| B
| : No. 2
| C
| : No. 3
| D
| : No. 4
| F
| : Thrust bearing installation position
| 
| : Engine front
|
(3)Install main bearings paying attention to the direction.

A
| : Cylinder block side
| D
| : Lower cylinder block side
| 
| : Engine front
|
- Main bearing with oil hole (B) and groove (C) goes on cylinder block. The one without them goes on lower cylinder block.
- Before installing main bearings, apply engine oil to the bearing surface (inside). Do not apply engine oil to the back surface, but thoroughly clean it.
- When installing, align main bearing stopper protrusion to cutout of cylinder block and lower cylinder block.
- Ensure the oil holes on cylinder block and those on the corresponding bearing are aligned.
6.Install crankshaft to cylinder block.- While turning crankshaft by hand, check that it turns smoothly.
7.Install lower cylinder block.NOTE: Lower cylinder block cannot be replaced as a single part, because it is machined together with cylinder block.
- Apply a continuous bead of liquid gasket with the cartridge gun (commercial service tool) to lower cylinder block as shown in the figure.

a
| : φ4.0 - 5.0 mm (0.157 ‐ 0.197 in) dia
| B
| : Apply to end
| 
| : Engine front
|
Use Genuine RTV Silicone Sealant or equivalent. Refer toRecommended Chemical Products and Sealants.
8.Inspect the outer diameter of lower cylinder block bolt. Refer to Inspection (GT-R certified NISSAN dealer).
9.Install lower cylinder block bolts in numerical order as shown in the figure as follows:
(1)Apply new engine oil to threads and seat surfaces of lower cylinder block bolts.
(2)Tighten lower cylinder block bolts (No. 17 to 24) in numerical order as shown in the figure.

: 25.0 N·m (2.6 kg-m, 18 ft-lb)
|
(3)Repeat step b.
(4)Tighten lower cylinder block bolt (No. 1 to 16) in numerical order as shown in the figure.
: 44.2 N·m (4.5 kg-m, 33 ft-lb)
|
(5)Tighten lower cylinder block bolt (No. 1 to 16) (clockwise).
Angle tightening : 90 degrees
|
■ CAUTION ■ Use the angle wrench [SST: KV10112100 (BT8653-A)] (A) to check tightening angle. Never make judgment by visual inspection.

10.Install piston to connecting rod as follows:
(1)Using a snap ring pliers, install new snap ring to the groove of piston rear side. - Insert it fully into groove to install.
(2)Install piston to connecting rod.- Using an industrial use drier or similar tool, heat piston until piston pin can be pushed in by hand without excess force [approx. 60 to 70°C (140 to 158°F)]. From the front to the rear, insert piston pin into piston and connecting rod.
- Assemble so that the front mark on the piston head and the cylinder number on connecting rod are positioned as shown in the figure.

A
| : Front mark
| B
| : Oil groove
| C
| : Front mark
| D
| : Cylinder number
| 
| : Engine front
|
(3)Install new snap ring to the groove of the piston front side. - Insert it fully into groove to install.
- After installing, check that connecting rod moves smoothly.
11.Using a piston ring expander (commercial service tool) (A), install piston rings.

■ CAUTION ■ - When installing piston rings, be careful not to damage piston.
- Be careful not to damage piston rings by expending them excessively.
- If there is stamped mark on ring, mount it with marked side up.

Stamped mark:
|
| Top ring (A)
| : R
| Second ring (B)
| : R2
|
- Position each ring with the gap as shown in the figure referring to the piston front mark (D).

C
| : Top ring gap
| E
| : Oil ring upper or lower rail gap (either of them)
| F
| : Second ring and oil ring spacer gap
| a
| : 90 degrees
| b
| : 45 degrees
|
- Check the piston ring side clearance. Refer to Inspection (GT-R certified NISSAN dealer).
12.Install connecting rod bearings to connecting rod and connecting rod bearing cap.■ CAUTION ■ Be careful not to drop connecting rod bearing, and to scratch the surface.
- Before installing connecting rod bearings, apply engine oil to the bearing surface (inside). Do not apply engine oil to the back surface, but thoroughly clean it.
- When installing, align connecting rod bearing stopper protrusion (B) with cutout (A) of connecting rods and connecting rod bearing caps to install.

- Ensure the oil hole (D) on connecting rod and that on the corresponding bearing are aligned.
13.Install piston and connecting rod assembly to crankshaft. - Position crankshaft pin corresponding to connecting rod to be installed onto the bottom dead center.
- Apply engine oil sufficiently to the cylinder bore, piston and crankshaft pin journal.
- Match the cylinder position with the cylinder number on connecting rod to install.
- Be sure that front mark on piston crown is facing front of engine.
- Using a piston ring compressor [SST: EM03470000 (J8037)] (A) or suitable tool, install piston with the front mark on the piston crown facing the front of the engine.

■ CAUTION ■ Be careful not to damage the cylinder wall and crankshaft pin, resulting from an interference of the connecting rod big end.
14.Install connecting rod bearing cap.- Match the stamped cylinder number marks on connecting rod with those on connecting rod bearing cap to install.

A
| : Small-end diameter grade
| B
| : Weight grade
| C
| : Management code
| E
| : Cylinder No.
| F
| : Big‐end diameter grade
|
- Be sure that front mark (D) on connecting rod bearing cap is facing front of the engine.
15.Tighten connecting rod bolt as follows:■ CAUTION ■ Connecting rod bolts are nonreusable.
(1)Apply engine oil to the threads and seats of connecting rod bolts.
(2)Tighten connecting rod bolts.
: 28.4 N·m (2.9 kg-m, 21 ft-lb)
|
(3)Completely loosen connecting rod bolts.
: 0 N·m (0 kg-m, 0 ft-lb)
|
(4)Tighten connecting rod bolts.
: 24.5 N·m (2.5 kg-m, 18 ft-lb)
|
(5)Tighten connecting rod bolts (clockwise).
Angle tightening : 120 degrees
|
■ CAUTION ■ Always use the angle wrench [SST: KV10112100 (BT8653-A)] (A). Avoid tightening based on visual check alone.

16.Install oil pan (upper). Refer to Exploded View (GT-R certified NISSAN dealer).
17.Install new rear oil seal as follows:
(1)Apply neutral detergent on the rim.
(2)Install it so that each seal lip is oriented as shown in the figure.

B
| : Dust seal lip
| 
| : Engine inside
| 
| : Engine outside
|
■ CAUTION ■ Never touch oil seal lip (A).
(3)Press in rear oil seal (1) to the position as shown in the figure.

a
| : 0 - 0.5 mm (0 - 0.020 in)
| B
| : Cylinder block rear end face
|
18.Install flywheel as follows:
(1)Apply engine oil to the threads and seats of bolts.
(2)When installing flywheel (2) and to crankshaft (1), be sure to correctly align crankshaft side dowel pin (A) and flywheel side dowel pin hole.

3
| : Reinforcement plate
| B
| : Signal plate
| C
| : Ring gear
| D
| : Rounded
| 
| : Engine front
|
- Ensure the dowel pin is installed in the crankshaft.
■ CAUTION ■ - If these are not aligned correctly, engine runs roughly and “MIL” turns on.
- When handling signal plate, take care not to damage or scratch it.
- Never place drive plate with signal plate facing down.
- Handle signal plate in a manner that prevents it from becoming magnetized.
(3)Tighten flywheel mounting bolts crosswise over several times.- Holding ring gear with the ring gear stopper [SST: KV101056S0 (J-49374)] (A).

(4)Rotate crankshaft pulley in normal direction (clockwise when viewed from front) to confirm flywheel turns smoothly.
19.Install knock sensors.- Install by aligning the matching mark (A) on the cylinder block.


| : Engine front
|
- After installing knock sensor, connect harness connector, and lay it out to rear of the engine.
■ CAUTION ■ - Never tighten mounting bolts while holding connector.
- If any impact by dropping is applied to knock sensor, replace it with new one.
NOTE: - Check that there is no foreign material on the cylinder block mating surface and the back surface of knock sensor.
- Check that knock sensor does not interfere with other parts.
20.Install in the reverse order of removal after this step.
|