Free Japan Cars Factory Service Manuals
[ICO]NameSize
[PARENTDIR]Parent Directory -
[IMG]75-1.gif143K
[IMG]75-c.gif100K
[IMG]75.gif122K
[   ]75diagram.pdf951K
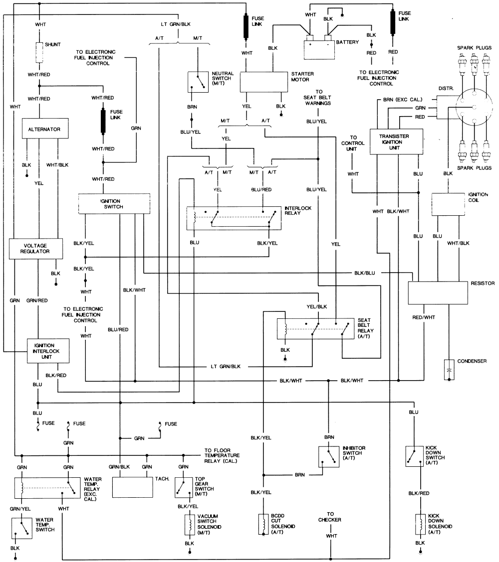
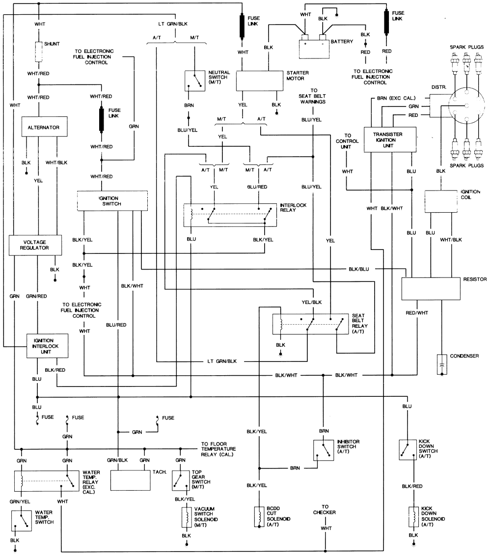
[   ]75_280z_wiring.pdf1.8M
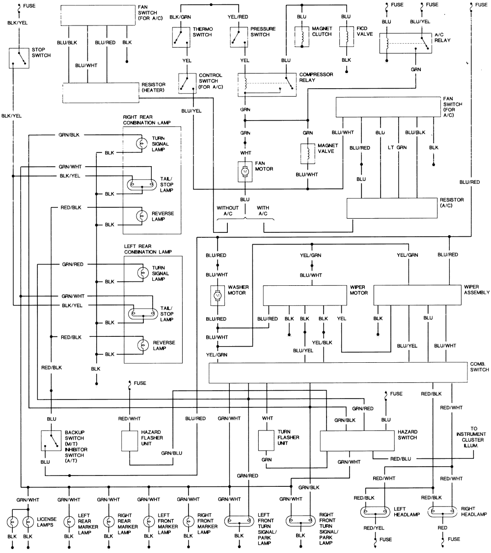
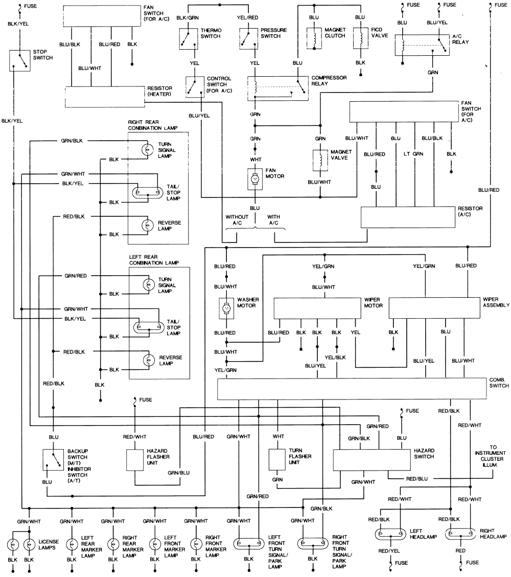
[IMG]1975 datsun 280Z wiring shematic chassis pt 2.gif143K
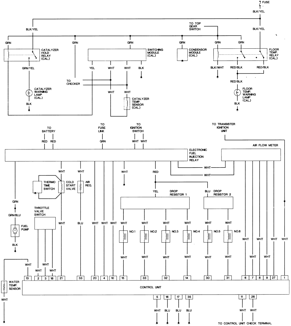
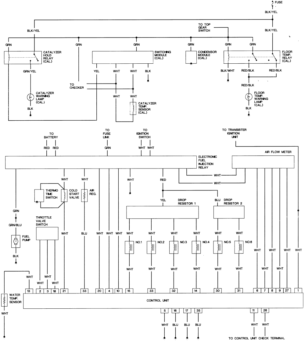
[IMG]1975 datsun 280Z wiring shematic engine chassis.gif122K
[IMG]1975 datsun 280Z wiring shematic engine pt 2.gif100K
[   ]88466w04.pdf 56K
[   ]88466w05.pdf 68K
[   ]88466w06.pdf 79K
Thanks to donations there are no ads! All manuals are available on downloadable archives HERE. You will get the pass with 5 EUR donation. If you have new service manuals, send them my way to be shared with the fellow owners!   
Contact