Previous Next

EXHAUST SYSTEM

Fig. 1: Exploded view of a typical non-turbo exhaust system

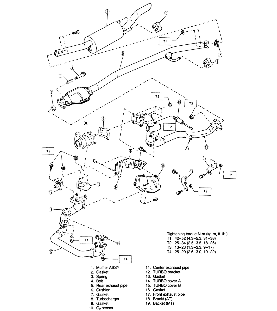
Fig. 2: Exploded view of a typical turbo exhaust

Previous Next