Previous Next

Brake Pads

REMOVAL & INSTALLATION

Fig. 1: Rear caliper and pad assembly — Legacy and Impreza

Fig. 2: Rear caliper and pad assembly — SVX

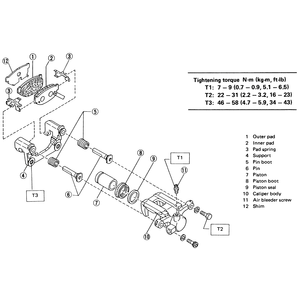
Fig. 3: Rear caliper and pad assembly — Coupe, Sedan, XT, Loyale, Wagon and Brat

Fig. 4: Rear caliper assembly — Legacy

Fig. 5: Use a C-clamp to compress the piston slightly into the caliper bore

Fig. 6: Loosen and remove the caliper lower retainer bolt

Fig. 7: Lift the caliper up to access the pads

Fig. 8: Slide the outer pad out . . .

Fig. 9: . . . and remove the backing plate

Fig. 10: Remove the pad retainer clips from the bracket and inspect

WARNING
Before beginning the procedure, determine whether your vehicle is equipped with a rear parking brake assembly. If equipped with rear parking brakes, only compress the piston slightly, or the piston screw could be damaged.

  1. Make sure the parking brake is disengaged.
  2. Remove a small portion of brake fluid from the master cylinder reservoir.
  3. Raise and safely support the vehicle on jackstands.
  4. Remove the wheel assembly.
  5. Use a C-clamp to compress the piston into the caliper bore.

    NOTE: If your vehicle is equipped with rear parking brakes, compress the piston only slightly.

  6. Disconnect the parking brake cable from the caliper lever.
  7. Remove the lock pin bolts from the lower portion of the caliper.
  8. Swing the caliper upward to access the pads.
  9. Remove the brake disc pads, noting the position of the backing plates and retainer clips.

    NOTE: If equipped with a parking brake, use a suitable tool to rotate the piston back into the caliper bore.

    To install:

  10. Inspect the brake rotor, caliper and retaining components. Correct as necessary.
  11. Install the new pads into the caliper, being sure all shims and clips are in their original positions.
  12. Swing the caliper down into position and install the lock pin bolts. Tighten the lock pin bolt to the following specifications:
  13. The remainder of installation is the reverse of removal. Tighten each component to specifications. Perform the same to the opposite side.
  14. Fill the master cylinder reservoir. Bleed the brakes as required and lower the vehicle. Road test the vehicle.

Previous Next