Previous Next

Disc Brake Pads

REMOVAL & INSTALLATION

Fig. 1: Front caliper and pad assembly — Justy with 12-inch wheel

Fig. 2: Front caliper and pad assembly — Justy with 13-inch wheel

Fig. 3: Front caliper and pad assembly — Coupe, Sedan, XT, Loyale, Wagon and Brat

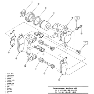
Fig. 4: Front caliper and pad assembly — non-turbo Legacy and Impreza

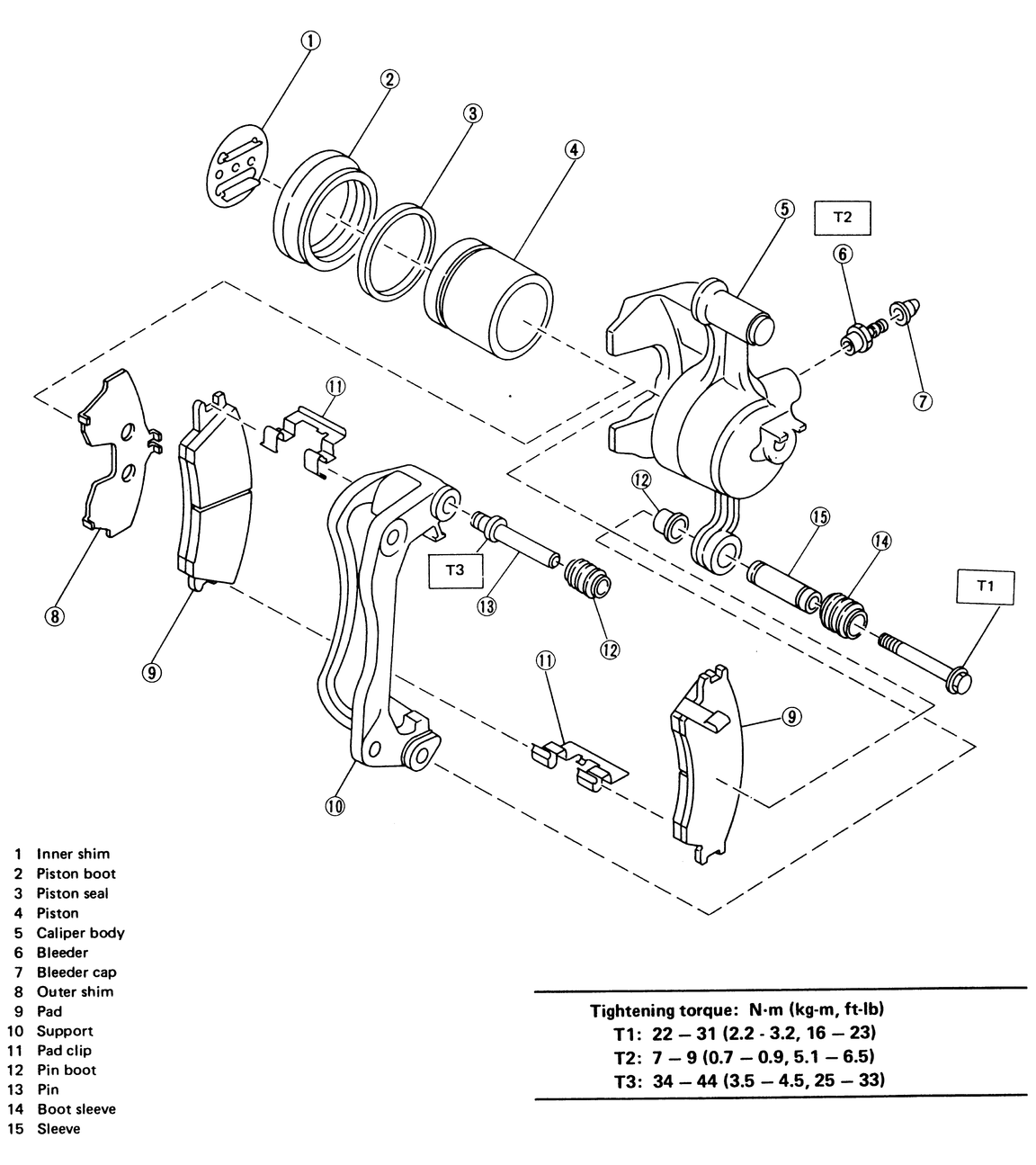
Fig. 5: Front caliper and pad assembly — turbo Legacy and Impreza

Fig. 6: Front caliper and pad assembly — SVX

Fig. 7: Front caliper assembly — Legacy

Fig. 8: Use a C-clamp to compress the piston into the caliper bore

Fig. 9: Loosen and remove the caliper lower retainer bolt

Fig. 10: Lift the caliper up to access the pads

Fig. 11: Slide the outer pad out . . .

Fig. 12: . . . and remove the backing plate

Fig. 13: Slide the inner pad out

Fig. 14: Remove the pad retainer clips from the bracket and inspect

WARNING
Before beginning the procedure, determine whether your vehicle is equipped with a front parking brake assembly. If equipped with front parking brakes, only compress the piston slightly, or the piston screw could be damaged.

  1. Remove a small portion of brake fluid from the master cylinder reservoir.
  2. Raise and support the vehicle safely on jackstands. Remove the wheel assemblies.
  3. Use a C-clamp to compress the piston into the caliper bore.

    NOTE: If your vehicle is equipped with front parking brakes, compress the piston only slightly.

  4. Release the parking brake and disconnect the cable from the caliper lever, if equipped.
  5. Remove the lock pin bolts from the lower portion of the caliper.
  6. Swing the caliper upward to access the pads.
  7. Remove the disc brake pads, noting the position of the backing plates and retainer clips.

    NOTE: If equipped with a parking brake, use a suitable tool to rotate the piston back into the caliper bore.

    To install:

  8. Inspect the brake rotor, calipers and retaining components. Correct worn or damaged parts as necessary.
  9. Install the new pads into the calipers, being sure all shims and clips are in their original positions.
  10. Swing the calipers down into position and install the lock pin bolts. Tighten the lock pin bolts to the following specifications:
    1. Justy — 16–23 ft. lbs. (22–31 Nm)
    2. Coupe, Sedan, XT, Loyale, Wagon and Brat — 33–40 ft. lbs. (44–54 Nm)
    3. Legacy and Impreza — 25–33 ft. lbs. (34–44 Nm)
    4. SVX — 25–33 ft. lbs. (34–44 Nm)
  11. Reconnect the parking brake cable, if equipped, and fill the master cylinder reservoir.
  12. Install the wheel assembly. Bleed the brakes as required and lower the vehicle. Road test the vehicle.

Previous Next