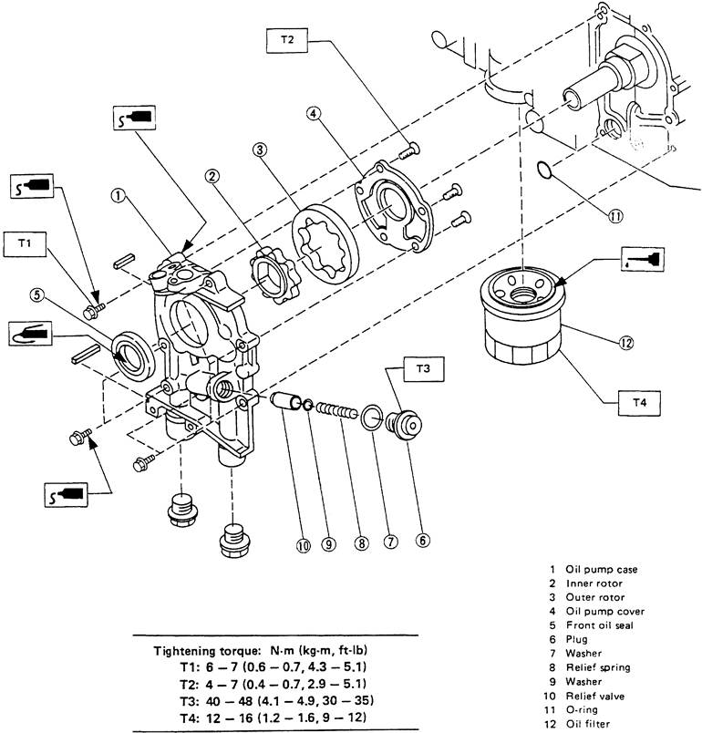
| Oil pump and components
|
The engine oil pump is located at the front of the engine.
- Before servicing the vehicle, refer to the precautions
in the beginning of this section.
-
Remove or disconnect the following:
- Negative battery cable
- Left and right front timing belt covers
- Timing belt. Refer to the timing belt unit repair
section.
- Oil pump-to-engine bolts and the oil pump
-
Disassemble the oil pump.
To install:
- Wash the disassembled components in solvent.
- Check the outside diameter of the inner rotor shaft.
Shaft diameter should be 1.4035–1.4055 in. (35.65–35.70mm).
- Check the outside diameter of the outer rotor. Diameter
should be 1.9665–1.9685 in. (49.95–50.00mm).
- Check the clearance between the outer rotor and the
cylinder block rotor housing. If clearance is greater than 0.0087 in.
(0.22mm), replace the rotor.
- Measure the height of the case projection H1
plus the oil pump inner and outer rotors H2.
- Measure the depth of the rotor housing bore L
in the cylinder block.
- Calculate the side clearance C using the following
equation: C = L –(H1 + H2). If the side clearance is greater
than 0.00071 in. (0.18mm), replace the pump inner and outer rotors with
oversized versions.
- Using new gaskets and O-rings, assemble the oil pump.
Tighten the oil pump pulley to 13–15 ft. lbs. (18–21 Nm). Tighten the
bypass spring plug to 23–27 ft. lbs. (31–37 Nm).
-
Install or connect the following:
- Oil pump on the cylinder block
- Timing belt and related components. Refer to
the timing belt unit repair section.
- Fill the engine with oil. Connect the negative battery
cable.
- Start the engine and allow it to reach operating
temperature. Check for adequate oil pressure. Check for leaks.
- Before servicing the vehicle, refer to the precautions
in the beginning of this section.
-
Remove or disconnect the following:
- Drain the coolant into a suitable separate container.
-
Remove or disconnect the following:
- Timing belt. Refer to the timing belt unit repair
section.
- Belt tensioner bracket
- Engine coolant pipe, if necessary
- Left side camshaft sprocket and left side belt
cover, if necessary
- Water pump
- Oil pump mounting bolts
- Oil pump by carefully prying it from the engine
block
WARNING
Use extreme care not to damage the engine block or the oil pump during
removal of the pump.
To install:
- Measure the tip clearance of the rotors. If clearance
is greater than 0.0071 in. (0.18mm), replace the rotors.
- Measure the clearance between the outer rotor and
the cylinder block rotor housing. If clearance exceeds 0.0079 in. (0.20mm),
replace the rotor.
- Measure the side clearance between the oil pump inner
rotor and the pump cover. If clearance exceeds 0.0047 in. (0.12mm), replace
the rotor or pump body.
- Install a new front oil seal on the pump cover using
a driver.
- Assemble the oil pump.
- Apply sealant and a new O-ring to the oil pump.
-
Install or connect the following:
- Oil pump and tighten the bolts to 60 inch lbs.
(7 Nm)
- Water pump
- Left side camshaft sprocket and left side belt
cover
- Engine coolant pipe, if necessary
- Belt tensioner bracket
- Timing belt. Refer to the timing belt unit repair
section.
- Negative battery cable
- Fill and bleed the cooling system.
- Start the engine and check for leaks.
- Before servicing the vehicle, refer to the precautions
in the beginning of this section.
-
Remove or disconnect the following:
- Negative battery cable
- Engine under cover
- Drain the coolant into a suitable separate container.
-
Remove or disconnect the following:
- Radiator main fan and sub fan assemblies, on
Impreza models
- Radiator, on Legacy models
- Crankshaft Position (CKP) and Camshaft Position
(CMP) sensors
- Drive belts
- Rear side V-belt tensioner
- Crankshaft pulley using a suitable tool
- Water pump
- Timing belt guide, if equipped with a manual
transaxle
- Crankshaft sprocket
- Oil pump mounting bolts
- Oil pump by carefully prying it from the engine
block
WARNING
Use extreme care not to damage the engine block or the oil pump during
removal of the pump.
To install:
- Measure the tip clearance of the rotors. If clearance
is greater than 0.0071 in. (0.18mm), replace the rotors.
- Measure the clearance between the outer rotor and
the cylinder block rotor housing. If clearance exceeds 0.0079 in. (0.20mm),
replace the rotor.
- Measure the side clearance between the oil pump inner
rotor and the pump cover. If clearance exceeds 0.0059 in. (0.15mm), replace
the rotor or pump body.
- Assemble the oil pump.
- Apply sealant and a new O-ring to the oil pump.
-
Install or connect the following:
- Oil pump and tighten the bolts to 60 inch lbs.
(7 Nm)
- Crankshaft sprocket
- Timing belt guide, if equipped with a manual
transaxle
- Water pump
- Crankshaft pulley using a suitable tool
- Rear side V-belt tensioner
- Drive belts
- CKP and CMP sensors
- Radiator, on Legacy models
- Radiator main fan and sub fan assemblies, on
Impreza models
- Engine under cover
- Negative battery cable
- Fill and bleed the cooling system.
- Start the engine and check for leaks.
- Before servicing the vehicle, refer to the precautions
in the beginning of this section.
-
Remove or disconnect the following:
- Negative battery cable
- Engine under covers
- Bolts securing the power steering oil cooler
pipe. DO NOT remove the pipe.
- Cooling fan assemblies
- Drive belt cover and drive belt
- Crankshaft Position (CKP) sensors
- Crankshaft pulley
- Timing belt. Refer to the timing belt unit repair
section.
- Oil pump mounting bolts
- Oil pump from the block by inserting a suitable
prying tool between the pump and the block
- Oil pump and gasket
To install:
- Measure the tip clearance of the rotors. If clearance
is greater than 0.0071 in. (0.18mm), replace the rotors.
- Measure the clearance between the outer rotor and
the cylinder block rotor housing. If clearance exceeds 0.0079 in. (0.20mm),
replace the rotor.
- Measure the side clearance between the oil pump inner
rotor and the pump cover. If clearance exceeds 0.0047 in. (0.12mm), replace
the rotor or pump body.
- Install a new oil seal in the oil pump.
- Clean all gasket surfaces completely.
-
Install or connect the following:
- Oil pump using a new gasket. Tighten the mounting
bolts to 60 inch lbs. (7 Nm).
- Timing belt. Refer to the timing belt unit repair
section.
- Crankshaft pulley
- CKP sensors
- Drive belts and drive belt cover
- Cooling fan assembly
- Bolts securing the power steering oil cooler
pipe
- Engine under covers
- Negative battery cable
- Start the vehicle and check for leaks.