Previous Next

TROUBLESHOOTING

When diagnosing an inoperative cooling fan it may be necessary to use a diagnostic scan tool to monitor engine coolant temperature and the engine control computer.

  1. Perform a visual inspection of the cooling fan. If the fan does not turn with ease, the fan motor is seized and needs to be replaced.
  2. Check all the fuses and fusible links related to the cooling fan circuit.
  3. Check the integrity of the electrical connections related to the cooling fan circuit.
  4. Check the cooling fan motor.
  5. Check the relays associated with the cooling fan circuit.
  6. Using a scan tool, determine if the engine control computer is calling for the fan to activate.
Cooling Fan Motor
  1. Disconnect the negative battery cable.
  2. Disengage the cooling fan motor connector.
  3. Identify and label the ground and the power terminals of the cooling fan connector using the wiring diagrams provided.
  4. Using jumper leads with a fuse in series, apply battery voltage to the appropriate terminals of the cooling fan.
  5. The cooling fan should operate. If not, replace the cooling fan.

    If the cooling fan functions properly during this test, proceed to the cooling fan relay test.

Cooling Fan Relay
  1. Turn the ignition OFF.
  2. Remove the relay.
  3. Locate the two terminals on the relay, which are connected to the coil windings. Check the relay coil for continuity. Connect the common meter lead to terminal 85 and positive meter lead to terminal 86. There should be continuity. If not, replace the relay.

    Use an ohmmeter to check for circuit continuity of the coil in the relay

  4. Check the operation of the internal relay contacts.
    1. Connect the meter leads to terminals 30 and 87. Meter polarity does not matter for this step.
    2. Apply positive battery voltage to terminal 86 and ground to terminal 85. The relay should click as the contacts are drawn toward the coil and the meter should indicate continuity. Replace the relay if your results are different.

      If the relay functions properly during this test, inspect the coolant temperature sensor and the cooling fan system wiring for defects.

      Terminal identification of the most common types of relays. Diodes and resistors in the relay prevent voltage spikes induced when the current is removed from the coil from damaging electronic components

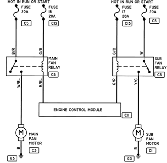
      DIA. 65 - 1998–01 Subaru Forester / Impreza 2.2L / 2.5L

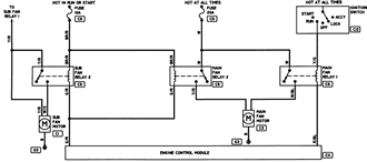
      DIA. 66 - 1997–01 Subaru Legacy 2.2L / 2.5L

      DIA. 67 - 1997–01 Subaru Legacy Brighton / Outback 2.2L / 2.5L

Previous Next