Previous Next

Strut

REMOVAL & INSTALLATION

Front
EXCEPT SVX — WITH STANDARD STRUTS

Exploded view of the front suspension assembly — Legacy and Impreza models

  1. Before servicing the vehicle, refer to the precautions in the beginning of this section.
  2. Remove or disconnect the following:

    NOTE: Scribe a matchmark on the camber adjusting bolt which secures the strut to the housing.

  3. Remove or disconnect the following:

    To install:

  4. Install or connect the following:
  5. Check the front end alignment and adjust as necessary.
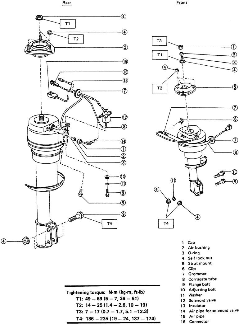
EXCEPT SVX — WITH PNEUMATIC STRUTS

Exploded view of the front and rear pneumatic suspension assembly — Legacy and Impreza models

  1. Before servicing the vehicle, refer to the precautions in the beginning of this section.
  2. Remove or disconnect the following:
  3. Matchmark the camber adjustment bolt to the strut housing as reference for installation.
  4. Remove or disconnect the following:

    To install:

  5. Install or connect the following:
  6. Start the vehicle and allow enough time for the struts to pressurize before driving.
  7. Check the front end alignment and adjust as necessary.
SVX

Exploded view of the front suspension assembly — SVX model

  1. Before servicing the vehicle, refer to the precautions in the beginning of this section.
  2. Remove or disconnect the following:
  3. Scribe matchmarks on the camber adjusting bolt and the steering knuckle for installation purposes.
  4. Remove or disconnect the following:
  5. Support the lower control arm under the ball joint with a suitable jack.
  6. Remove or disconnect the following:
  7. Lower the jack about an inch and remove the strut-to-steering knuckle upper mounting bolt.
  8. Remove or disconnect the following:
  9. If the strut is to be replaced, remove the sway bar link.

    To install:

  10. Install or connect the following:
  11. Remove the jack.
  12. Rotate the camber adjusting bolt so the matchmarks are in alignment. Tighten the mounting nuts to 112 ft. lbs. (152 Nm).
  13. Install or connect the following:
  14. Check the front end alignment and adjust as necessary.
Rear
EXCEPT SVX — WITH STANDARD STRUTS

Exploded view of the rear standard strut assembly — Legacy and Impreza models

  1. Before servicing the vehicle, refer to the precautions in the beginning of this section.
  2. Remove or disconnect the following:
  3. Install or connect the following:
  4. Bleed the brakes.
  5. Install or connect the following:
EXCEPT SVX — WITH PNEUMATIC STRUTS
  1. Before servicing the vehicle, refer to the precautions in the beginning of this section.
  2. Remove or disconnect the following:
  3. Install or connect the following:
  4. Bleed the brakes.
  5. Install or connect the following:
  6. Start the vehicle, and allow enough time for the shock to pressurize before driving the vehicle.
SVX

Exploded view of the rear strut and suspension assembly — SVX

  1. Before servicing the vehicle, refer to the precautions in the beginning of this section.
  2. Remove or disconnect the following:
  3. Support the rear knuckle assembly with a suitable jack.
  4. Remove or disconnect the following:
  5. Lower the jack about an inch and remove the upper mounting bolt from the knuckle assembly.
  6. Remove or disconnect the following:

    To install:

  7. Install or connect the following:
  8. Raise the jack to line up the knuckle with the strut bracket, and install the mounting bolts and nuts. Tighten the mounting nuts to 112 ft. lbs. (152 Nm).
  9. Remove the jack.
  10. Install or connect the following:
  11. Check the alignment and adjust as necessary.

Previous Next