Previous Next

HEATER CORE

1998-01 SUBARU

Impreza

REMOVAL AND INSTALLATION

  1. Disconnect the negative battery cable.

    CAUTION
    If equipped with an air bag system, wait 10 minutes after disconnecting the negative battery cable before performing any further work while the system fully de-energizes in order to avoid accidental deployment. All air bag system wiring is yellow. Do not use electrically powered test equipment on these circuits.

  2. Drain the cooling system into a clean container for reuse.
  3. Disconnect the heater hoses from the heater core. Plug the heater core and heater hoses.
  4. Remove the radio box or console.

    Fig. 1: Exploded view of the instrument panel and center console-Impreza

  5. Remove the instrument panel by:

    NOTE: Do not move the switch and link when installing.

  6. Tag or match mark the wiring connectors, then disconnect by holding the connectors and not the wiring.
  7. Remove the 6 instrument panel retaining bolts and nuts.
  8. Remove the front defroster grille and 2 bolts.
  9. Carefully remove the instrument panel from the body and then disconnect the speedometer cable from the back of the combination meter.
  10. Disconnect the heater control cables and the fan motor wiring harness.
  11. Disconnect the duct between the heater unit and the blower heater unit. Lift up and out on the heater unit and remove it.
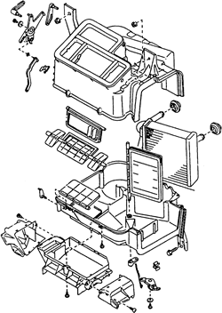
  12. With the heater assembly out of the vehicle, remove the heater core tube retaining clamps and lift the core from the heater case.
  13. Remove the heater core.

    Fig. 2: Exploded view of the heater assembly-Impreza

    To install:

  14. Install the heater core into the heater case. Secure it in place with the retaining clamps and screws.
  15. Install the heater assembly to its mounting position under the dash.
  16. Install the mounting bolts. Torque the mounting bolts to 48-84 inch lbs. (5-9 Nm).
  17. Connect the heater control cables and fan motor wiring harness connectors.
  18. Install the instrument panel.
  19. Install the radio and console assemblies.
  20. Connect the heater hoses in the engine compartment.
  21. Refill the cooling system.
  22. Connect the negative battery cable.
  23. Evacuate, charge and leak test the air conditioning system.
  24. Operate the engine to normal operating temperatures; then, check the climate control operation and check for leaks.

Previous Next