Previous Next

Strut

REMOVAL & INSTALLATION

Front
WITH STANDARD STRUTS

Fig. 1: Exploded view of the front suspension assembly-Legacy and Impreza models

  1. Before servicing the vehicle, refer to the precautions in the beginning of this section.
  2. Remove or disconnect the following:

    NOTE: Scribe a matchmark on the camber adjusting bolt which secures the strut to the housing.

    To install:

  3. Install or connect the following:
  4. Check the front end alignment and adjust as necessary.
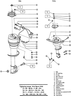
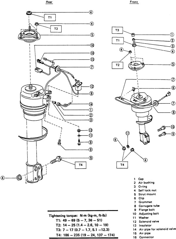
WITH PNEUMATIC STRUTS

Fig. 2: Exploded view of the front and rear pneumatic suspension assembly-Legacy and Impreza models

  1. Before servicing the vehicle, refer to the precautions in the beginning of this section.
  2. Remove or disconnect the following:
  3. Matchmark the camber adjustment bolt to the strut housing as reference for installation.

    To install:

  4. Install or connect the following:
  5. Start the vehicle and allow enough time for the struts to pressurize before driving.
  6. Check the front end alignment and adjust as necessary.
Rear
WITH STANDARD STRUTS

Fig. 3: Exploded view of the rear standard strut assembly-Legacy and Impreza models

  1. Before servicing the vehicle, refer to the precautions in the beginning of this section.
  2. Remove or disconnect the following:
  3. Install or connect the following:
  4. Bleed the brakes.
WITH PNEUMATIC STRUTS
  1. Before servicing the vehicle, refer to the precautions in the beginning of this section.
  2. Remove or disconnect the following:
  3. Install or connect the following:
  4. Bleed the brakes.
  5. Start the vehicle, and allow enough time for the shock to pressurize before driving the vehicle.

Previous Next