MECHANICAL(H4DOTC) > Camshaft

INSTALLATION

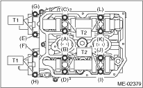
1. Camshaft installation:

Apply engine oil to the cylinder head at camshaft bearing installation location before installing the camshaft. Install the camshaft so that each valve is close to or in contact with base circle of the cam.

NOTE:

Set the camshaft to the position shown in the figure. It is necessary to rotate the camshaft (LH) slightly when installing the timing belt.

Camshaft (RH) need not be rotated when set at the position shown in the figure.

Intake camshaft LH: Rotate 80° clockwise.

Exhaust camshaft LH: Rotate 45° counterclockwise.

A

Cylinder head (LH)

B

Cylinder head (RH)

(a)

Intake camshaft

(b)

Exhaust camshaft

2. Camshaft cap and oil flow control solenoid valve assembly installation:

(1) Apply small amount of liquid gasket to the mating surface of cap.

NOTE:

Do not apply liquid gasket excessively. Applying excessively may cause excess gasket to come out and flow toward oil seal, resulting in oil leak.

Liquid gasket:

Three Bond 1215 (Part No. 004403007) or equivalent

(2) Apply a thin coat of engine oil to cap bearing surface, and install the cap to the camshaft.

(3) Gradually tighten the camshaft cap and oil control valve assembly in at least two stages in alphabetical order shown in the figure, and then tighten to specified torque.

Tightening torque:

T1: 10 N·m (1.0 kgf-m, 7.2 ft-lb)

T2: 20 N·m (2.0 kgf-m, 14.5 ft-lb)

(4) After tightening the camshaft cap, hold the camshaft at the base circle position, and make sure that the camshaft rotates just slightly.

3. Apply engine oil to the oil seal periphery and oil seal lip and install the oil seal to the camshaft using ST1 and ST2.

NOTE:

Use a new oil seal.

ST1    499587600 OIL SEAL INSTALLER
ST2    499597200 OIL SEAL GUIDE

4. Rocker cover installation:

(1) Install the gasket on rocker cover. Install the peripheral gasket and ignition coil unit gasket.

(2) Apply liquid gasket to the specified point of the cylinder head. Apply extra liquid gasket around the plug area, so that it exeeds the area by 5 mm (0.2 in) or more.

Liquid gasket:

Three Bond 1215 (Part No. 004403007) or equivalent

(3) Install the rocker cover on cylinder head. Ensure the gasket is properly positioned during installation.

(4) Temporarily tighten the rocker cover tightening bolt in alphabetical order shown in the figure, and then tighten to specified torque.

Tightening torque:

6.4 N·m (0.65 kgf-m, 4.7 ft-lb)

5. Install the oil pipe.

NOTE:

Be careful of the install location of the union screw; the location will differ depending on whether or not there is a filter.

Tightening torque:

29 N·m (3.0 kgf-m, 21.4 ft-lb)

(A)

Union screw with filter (with protrusion)

(B)

Union screw without filter (without protrusion)

6. Connect the oil flow control solenoid valve connector.

7. Install the spark plug cord.

8. Similarly, install the parts on right-hand side.

9. Install the timing belt cover No. 2 (RH).

Tightening torque:

5 N·m (0.5 kgf-m, 3.6 ft-lb)

10. Install the timing belt cover No. 2 (LH).

Tightening torque:

5 N·m (0.5 kgf-m, 3.6 ft-lb)

11. Install the tensioner bracket.

Tightening torque:

24.5 N·m (2.5 kgf-m, 18.1 ft-lb)

12. Install the cam sprocket.

13. Install the timing belt.

14. Install the timing belt cover.

15. Install the crank pulley.

16. Install the V-belts.