Free Japan Cars Factory Service Manuals
[ICO]NameSize
[PARENTDIR]Parent Directory -
[IMG]1. Обозначения в электрических схемах.jpeg255K
[IMG]2. Системы запуска, зарядки аккумулятора, вентилятор системы охлаждения, звуковой сигнал, прикуриватель и часы.jpeg243K
[IMG]3. Сигнальные лампочки и указатели.jpeg231K
[IMG]4. Типичная система управления двигателем.jpeg220K
[IMG]5. Внешние осветительные приборы.jpeg222K
[IMG]6. Внешние осветительные приборы (продолжение) и регулировка положения фар.jpeg222K
[IMG]8. Зеркала с электроприводом, обогреватели стёкол, обогреватели зеркал и автомагнитола.jpeg209K
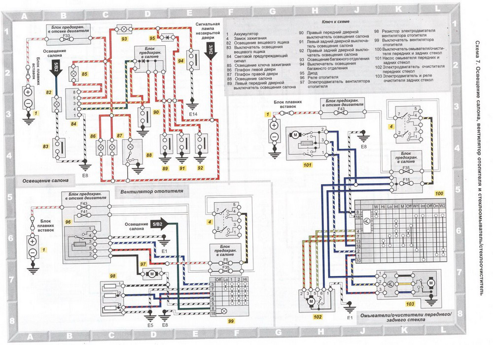
[IMG]9. Освещение салона, вентилятор отопителя и стеклоомыватель.jpeg228K
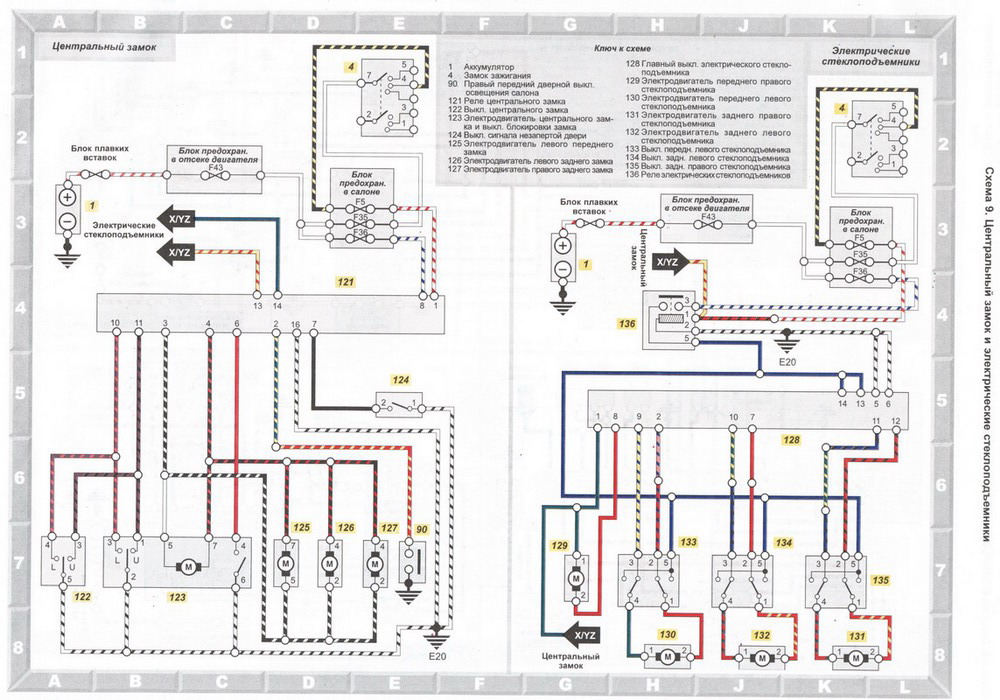
[IMG]9. Центральный замок и электрические стеклоподьёмники.jpeg204K
[   ]Thumbs.db 33K
Thanks to donations there are no ads! All manuals are available on downloadable archives HERE. You will get the pass with 5 EUR donation. If you have new service manuals, send them my way to be shared with the fellow owners!   
Contact