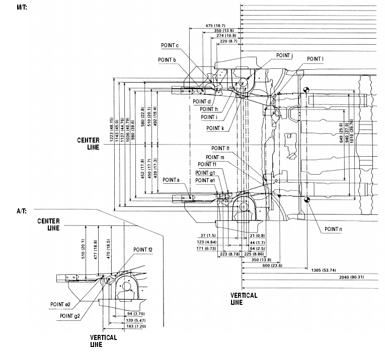
Frame Repair Chart4-8
Top View
| Unit: mm (in.)
Ø : Inner diameter
|
a
|
For subframe Ø 16 (0.63)
|
g2
|
For A/T transmission mount Ø 13 (0.51)
|
| b
|
For engine mount Ø 13 (0.51)
|
h
|
For damper mount Ø 11.5 (0.45)
|
| c
|
For engine mount Ø 13 (0.51)
|
i
|
For damper center Ø 78 (3.07)
|
| d
|
For engine mount Ø 13 (0.51)
|
j
|
For damper mount Ø 11.5 (0.45)
|
| e1
|
For M/T transmission mount Ø 13 (0.51)
|
k
|
For damper mount Ø 11.5 (0.45)
|
| e2
|
For A/T transmission mount Ø 13 (0.51)
|
l
|
For subframe Ø 16 (0.63)
|
| f1
|
For M/T transmission mount Ø 13 (0.51)
|
l1
|
For subframe Ø 16 (0.63)
|
| f2
|
For A/T transmission mount Ø 13 (0.51)
|
m
|
Locating hole Ø 27.4 (1.08)
|
| g1
|
For M/T transmission mount Ø 13 (0.51)
|
n
|
Locating hole Ø 50 (1.97)
|
| o
|
Locating hole Ø 25 (0.98)
|
t
|
Rear damper center Ø 68 (2.68)
|
| p
|
Locating hole Ø 25 (0.98)
|
u
|
For rear cross beam Ø 15 (0.59)
|
| p1
|
Locating hole Ø 25 (0.98)
|
u2
|
Locating hole Right side: Ø 13 (0.51)/Left side: Ø 15 (0.59)
|
| p2
|
Locating hole Ø 23 (0.91)
|
v
|
For rear cross beam Ø 15 (0.59)
|
| q
|
For trailing arm Ø 14 (0.55)
|
w
|
Locating hole Ø 50 (1.97)
|
| r
|
Locating hole Ø 20 (0.79)
|
x
|
Locating hole Ø 25 (0.98)
|
| s
|
For trailing arm Ø 14 (0.55)
|
|
Frame Repair Chart (cont'd)4-11
Side View
| Unit: mm (in.)
Ø : Inner diameter
|
a
|
For subframe Ø 16 (0.63)
|
g2
|
For A/T transmission mount Ø 13 (0.51)
|
| b
|
For engine mount Ø 13 (0.51)
|
h
|
For damper mount Ø 11.5 (0.45)
|
| c
|
For engine mount Ø 13 (0.51)
|
i
|
For damper center Ø 78 (3.07)
|
| d
|
For engine mount Ø 13 (0.51)
|
j
|
For damper mount Ø 11.5 (0.45)
|
| e1
|
For M/T transmission mount Ø 13 (0.51)
|
k
|
For damper mount Ø 11.5 (0.45)
|
| e2
|
For A/T transmission mount Ø 13 (0.51)
|
l
|
For subframe Ø 16 (0.63)
|
| f1
|
For M/T transmission mount Ø 13 (0.51)
|
l1
|
For subframe Ø 16 (0.63)
|
| f2
|
For A/T transmission mount Ø 13 (0.51)
|
m
|
Locating hole Ø 27.4 (1.08)
|
| g1
|
For M/T transmission mount Ø 13 (0.51)
|
n
|
Locating hole Ø 50 (1.97)
|
| o
|
Locating hole Ø 25 (0.98)
|
t
|
Rear damper center Ø 68 (2.68)
|
| p
|
Locating hole Ø 25 (0.98)
|
u
|
For rear cross beam Ø 15 (0.59)
|
| p1
|
Locating hole Ø 25 (0.98)
|
u2
|
Locating hole Right side: Ø 13 (0.51)/Left side: Ø 15 (0.59)
|
| p2
|
Locating hole Ø 23 (0.91)
|
v
|
For rear cross beam Ø 15 (0.59)
|
| q
|
For trailing arm Ø 14 (0.55)
|
w
|
Locating hole Ø 50 (1.97)
|
| r
|
Locating hole Ø 20 (0.79)
|
x
|
Locating hole Ø 25 (0.98)
|
| s
|
For trailing arm Ø 14 (0.55)
|
|