Honda 2001 Wiring diagrams78-1
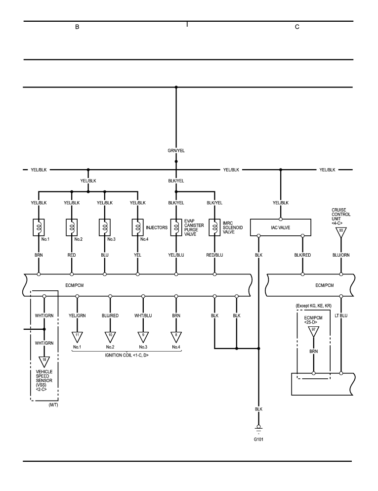
PGM-FI System, Immobilizer System (cont'd) 78-100
Previous Page Next Page



PGM-FI System, Immobilizer System (cont'd) 78-100




Honda 2001 Wiring diagrams78-1
PGM-FI System, Immobilizer System (cont'd) 78-100
Previous Page Next Page