Honda 2001 Wiring diagrams78-1
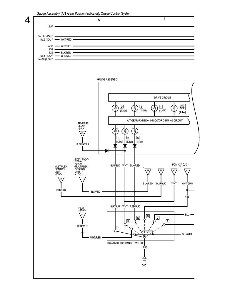
Gauge Assembly (A/T Gear Position Indicator), Cruise Control System (cont'd) 78-15
Previous Page Next Page



Gauge Assembly (A/T Gear Position Indicator), Cruise Control System (cont'd) 78-15




Honda 2001 Wiring diagrams78-1
Gauge Assembly (A/T Gear Position Indicator), Cruise Control System (cont'd) 78-15
Previous Page Next Page