Honda 2001 Wiring diagrams78-1
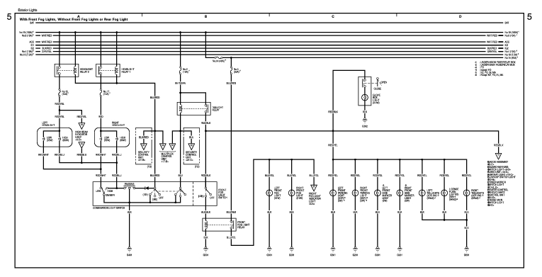
Exterior Lights (With Front Fog Lights, Without Front Fog Lights or Rear Fog Lights 78-18
Previous Page Next Page



Exterior Lights (With Front Fog Lights, Without Front Fog Lights or Rear Fog Lights 78-18




Honda 2001 Wiring diagrams78-1
Exterior Lights (With Front Fog Lights, Without Front Fog Lights or Rear Fog Lights 78-18
Previous Page Next Page