Honda 2001 Wiring diagrams78-1
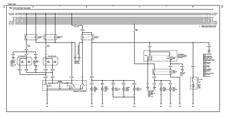
Exterior Lights (With Front and Rear Fog Lights) 78-26
Previous Page Next Page



Exterior Lights (With Front and Rear Fog Lights) 78-26




Honda 2001 Wiring diagrams78-1
Exterior Lights (With Front and Rear Fog Lights) 78-26
Previous Page Next Page