Honda 2001 Wiring diagrams78-1
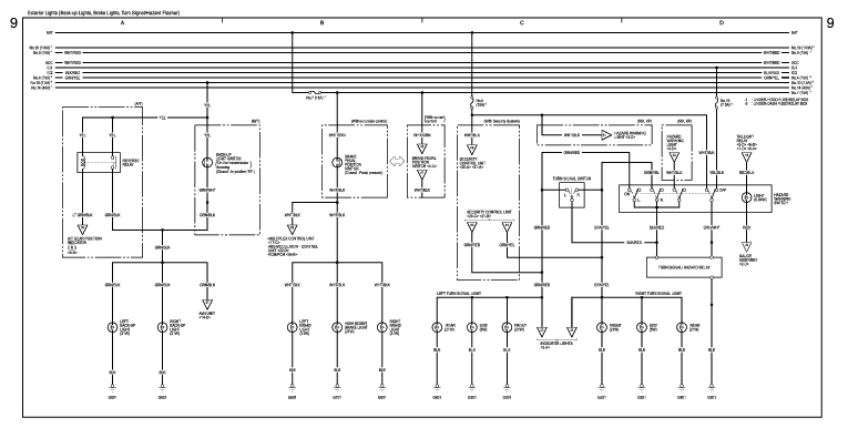
Exterior Lights (Back-up Lights, Brake Lights, Turn Signal/Hazard Flasher) 78-34
Previous Page Next Page



Exterior Lights (Back-up Lights, Brake Lights, Turn Signal/Hazard Flasher) 78-34




Honda 2001 Wiring diagrams78-1
Exterior Lights (Back-up Lights, Brake Lights, Turn Signal/Hazard Flasher) 78-34
Previous Page Next Page