Honda 2001 Wiring diagrams78-1
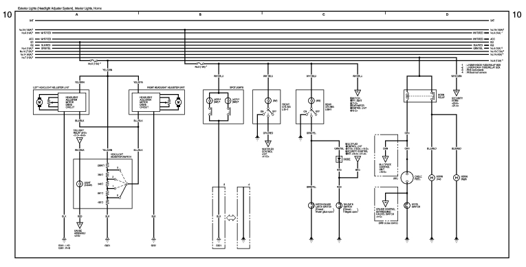
Exterior Lights (Headlight Adjuster System), Interior Lights, Horns 78-38
Previous Page Next Page



Exterior Lights (Headlight Adjuster System), Interior Lights, Horns 78-38




Honda 2001 Wiring diagrams78-1
Exterior Lights (Headlight Adjuster System), Interior Lights, Horns 78-38
Previous Page Next Page