Honda 2001 Wiring diagrams78-1
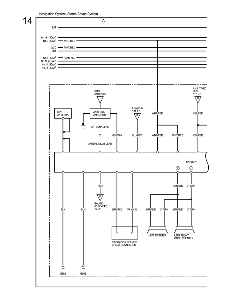
Navigation System, Stereo Sound System (cont'd) 78-55
Previous Page Next Page



Navigation System, Stereo Sound System (cont'd) 78-55




Honda 2001 Wiring diagrams78-1
Navigation System, Stereo Sound System (cont'd) 78-55
Previous Page Next Page