Honda 2001 Wiring diagrams78-1
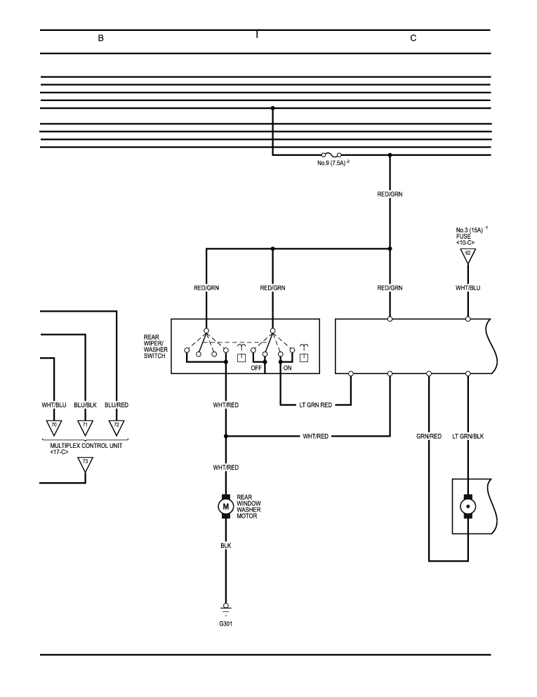
Wipers/Washers (Windshield Rear) (cont'd) 78-64
Previous Page Next Page



Wipers/Washers (Windshield Rear) (cont'd) 78-64




Honda 2001 Wiring diagrams78-1
Wipers/Washers (Windshield Rear) (cont'd) 78-64
Previous Page Next Page