Honda 2001 Wiring diagrams78-1
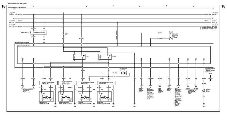
Keyless/Power Door Lock System (With Super locking System) 78-70
Previous Page Next Page



Keyless/Power Door Lock System (With Super locking System) 78-70





Honda 2001 Wiring diagrams78-1
Keyless/Power Door Lock System (With Super locking System) 78-70
Previous Page Next Page