Honda 2001 Wiring diagrams78-1
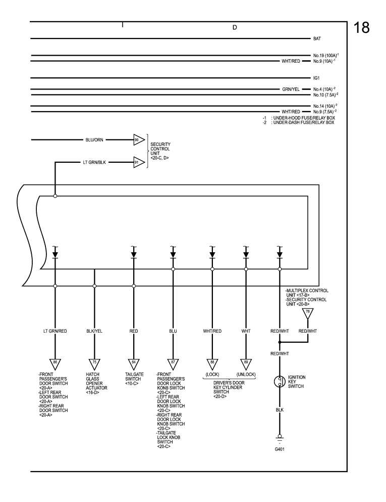
Keyless/Power Door Lock System (With Super locking System) (cont'd) 78-73
Previous Page Next Page



Keyless/Power Door Lock System (With Super locking System) (cont'd) 78-73




Honda 2001 Wiring diagrams78-1
Keyless/Power Door Lock System (With Super locking System) (cont'd) 78-73
Previous Page Next Page