Honda 2001 Wiring diagrams78-1
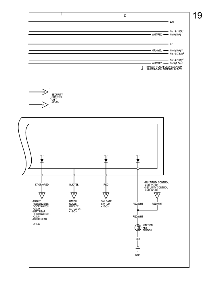
Keyless/Power Door Lock System (Without Super locking System) (cont'd) 78-77
Previous Page Next Page



Keyless/Power Door Lock System (Without Super locking System) (cont'd) 78-77




Honda 2001 Wiring diagrams78-1
Keyless/Power Door Lock System (Without Super locking System) (cont'd) 78-77
Previous Page Next Page