Honda 2001 Wiring diagrams78-1
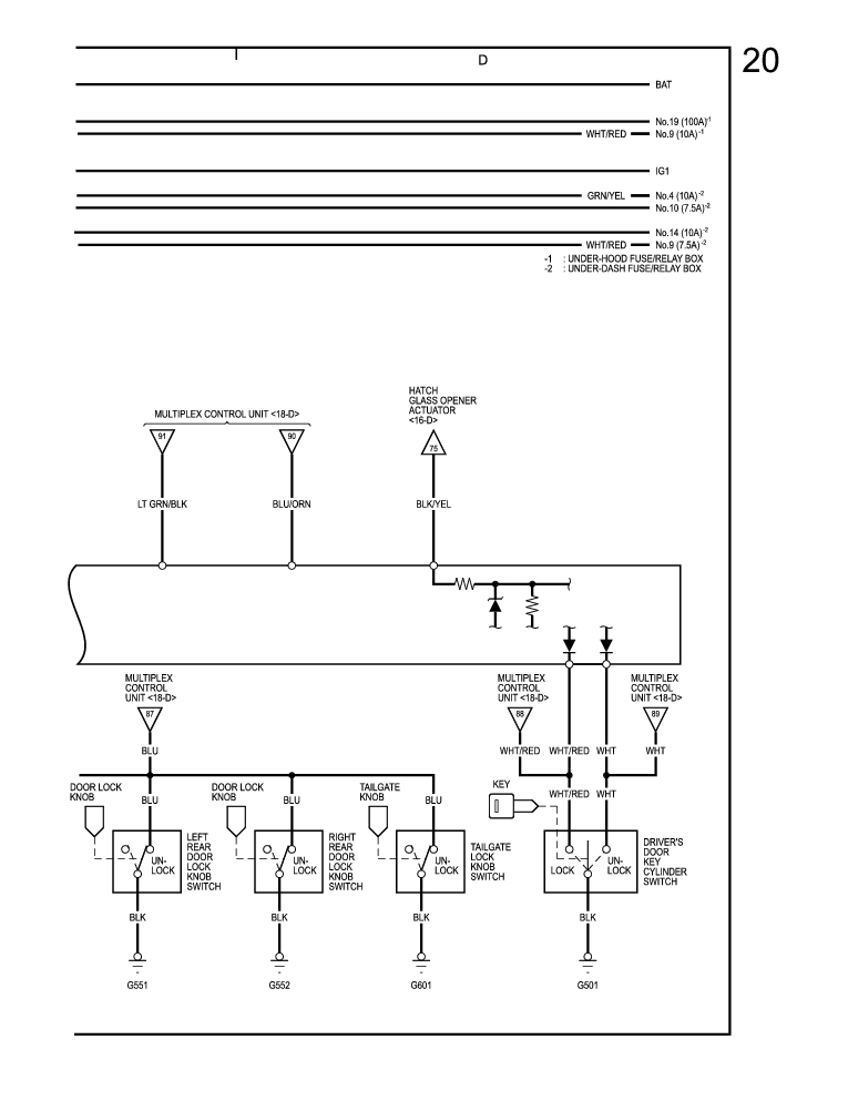
Security Alarm System (With Super Locking System) (cont'd) 78-81
Previous Page Next Page



Security Alarm System (With Super Locking System) (cont'd) 78-81




Honda 2001 Wiring diagrams78-1
Security Alarm System (With Super Locking System) (cont'd) 78-81
Previous Page Next Page