Honda 2001 Wiring diagrams78-1
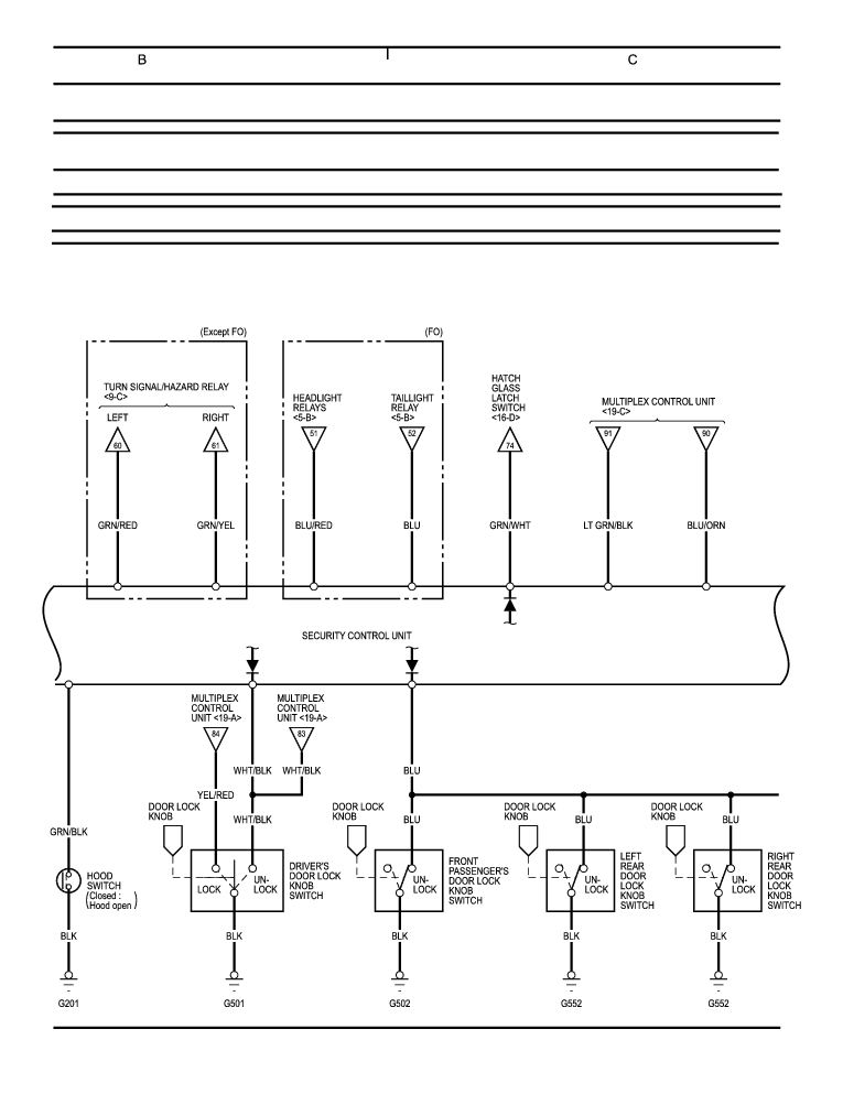
Security Alarm System (Without Super Locking System) (cont'd) 78-84
Previous Page Next Page



Security Alarm System (Without Super Locking System) (cont'd) 78-84




Honda 2001 Wiring diagrams78-1
Security Alarm System (Without Super Locking System) (cont'd) 78-84
Previous Page Next Page