Honda 2001 Wiring diagrams78-1
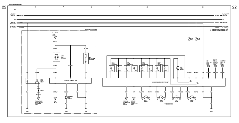
Interlock System, ABS 78-86
Previous Page Next Page



Interlock System, ABS 78-86




Honda 2001 Wiring diagrams78-1
Interlock System, ABS 78-86
Previous Page Next Page