Honda 2001 Wiring diagrams78-1
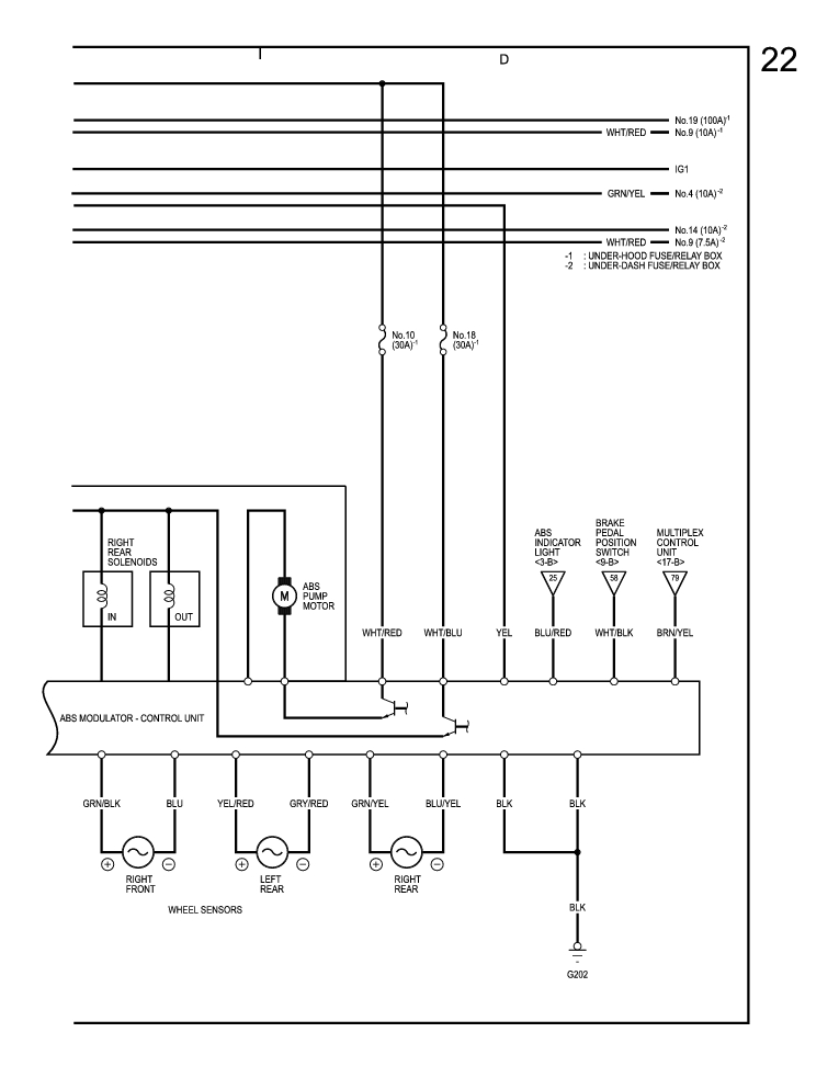
Interlock System, ABS (cont'd) 78-89
Previous Page Next Page



Interlock System, ABS (cont'd) 78-89




Honda 2001 Wiring diagrams78-1
Interlock System, ABS (cont'd) 78-89
Previous Page Next Page