Honda 2001 Wiring diagrams78-1
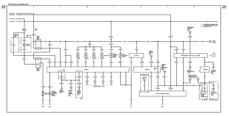
PGM-FI System, Immobilizer System 78-98
Previous Page Next Page



PGM-FI System, Immobilizer System 78-98




Honda 2001 Wiring diagrams78-1
PGM-FI System, Immobilizer System 78-98
Previous Page Next Page