Previous Next

REMOVAL & INSTALLATION

2.3L Engine
  1. For the front bank of spark plugs, remove the charge air cooler.
  2. For the rear bank of spark plugs, remove the solenoid bracket assembly.

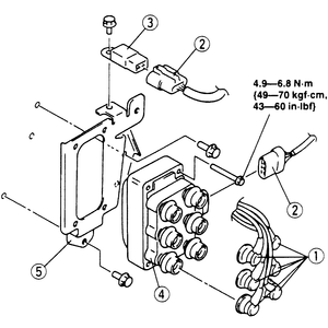
    Fig. 1: Exploded view of the left-hand coil pack assemblies

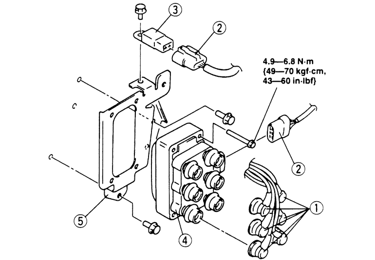
    Fig. 2: Exploded view of the right-hand coil pack assemblies

  3. Detach the ignition coil 4-pin connector.
  4. Remove the ignition coil attaching screws and remove the coil by pulling it straight up.

    To install:

  5. Inspect the coil-to-spark plug connection area for cracks or damage. If damage to the coil is found, replace the assembly.
  6. Position the ignition coil over the spark plug and press it down firmly to ensure full engagement.
  7. Align the mounting holes and install the coil attaching screws. Tighten the screws to 40–57 inch lbs. (4.5–6.4 Nm).
  8. Attach the ignition coil 4-pin connector.
  9. For the front bank of spark plugs, lubricate the sealing washers and install the charge air cooler. Tighten the attaching nuts to 12–16 ft. lbs. (16–22 Nm).
  10. For the rear bank of spark plugs, install the solenoid bracket assembly.
1998 2.0L and 2.5L (except Millenia) Engines
  1. Disconnect the negative battery cable.
  2. As necessary for clearance, remove the air intake ducting.

    Fig. 3: Exploded view of the 2.0L engine coil pack assembly

    Fig. 4: Exploded view of the 2.5L engine coil pack assembly

  3. Label and disconnect the spark plug wires from the coil pack.
  4. Detach the electrical wire harness plug from the coil pack.
  5. Remove the four coil pack-to-mounting bracket attaching bolts and remove the coil.
  6. Installation is the reverse of the removal procedure. Tighten the attaching bolts to 43–60 inch lbs. (5–7 Nm).

Previous Next