Previous Next

Evaporative Emission Control System

OPERATION

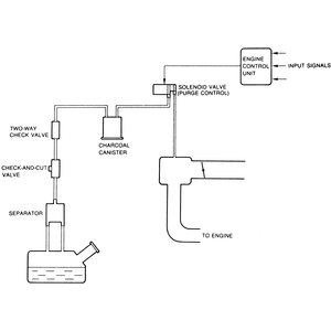
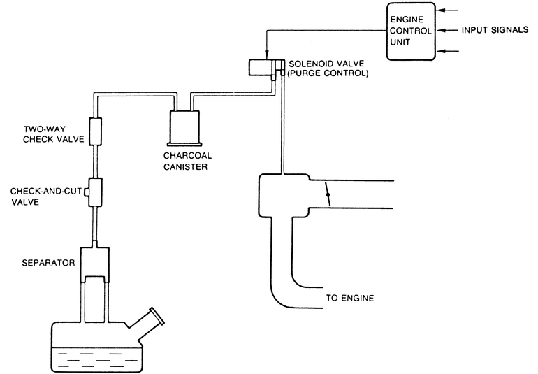
The evaporative emission control system prevents the escape of fuel vapors to the atmosphere under hot soak and engine off conditions by storing the vapors in a carbon canister. Then, with the engine warm and running, the system controls the purging of stored vapors from the canister to the engine, where they are efficiently burned. Evaporative emission control components consist of the fuel vapor valve, check valve, purge control solenoid valve(s), charcoal canister and input devices.

Fig. 1: Typical evaporative emission system schematic

Charcoal Canister

The fuel vapors from the fuel tank are stored in the charcoal canister until the vehicle is operated, at which time, the vapors will purge from the canister into the engine for consumption. The charcoal canister contains activated carbon, which absorbs the fuel vapor. The canister is located in the engine compartment.

Fig. 2: Example of the typical EVAP charcoal canister

Purge Control Solenoid Valves

The purge control solenoid valves control the flow of fuel vapor from the carbon canister to the engine. The solenoid valves are electronically controlled. Purging occurs when the engine is at operating temperature and off idle.

Fig. 3: Example of a common purge control valve or solenoid

Check Valve

The check valve releases excessive pressure or vacuum in the fuel tank to atmosphere. The valve is connected in-line with the evaporative hose and rollover/vent valve. On all engines, the valve is a 2-way check valve.

Fig. 4: Typical check valve used to release excess pressure from the fuel tank

Fuel Vapor Valve

The fuel vapor valve prevents fuel vapors from flowing from the fuel tank at all times through the fuel tank hose. The valve is located in the fuel tank.

Previous Next