Previous Next

Cylinder Head

REMOVAL & INSTALLATION

1.5L and 1.8L (BP) Engines
  1. Before servicing the vehicle, refer to the precautions in the beginning of this section.
  2. Relieve the fuel system pressure.
  3. Disconnect the negative battery cable.
  4. Drain the cooling system.
  5. Remove or disconnect the following:
  6. Install a suitable engine support tool.
  7. No. 3 engine mount bracket
  8. Timing belt middle and lower covers
  9. Rotate the crankshaft, in the normal direction of rotation, until the No. 1 cylinder piston is at Top Dead Center (TDC) on the compression stroke. Be sure the timing marks on the crankshaft and camshaft sprocket(s) are properly aligned and mark the direction of rotation of the belt.
  10. Remove or disconnect the following:

    NOTE: Do not rotate the crankshaft until the timing belt is reinstalled.

  11. On the 1.5L engine, remove the tappets. Identify each tappet as it is removed so it can be reinstalled in the same position.
  12. On the 1.8L engine, remove the hydraulic lifters. Identify each lifter as it is removed so it can be reinstalled in the same position. If the lifters are to be reused, store them upside down in an oil-filled sealed container.
  13. Remove or disconnect the following:

    To install:

  14. Thoroughly, clean the cylinder head and the block contact surfaces. Examine the head gasket and check the cylinder head for cracks. Check the cylinder head for warpage using a feeler gauge and straightedge. The maximum allowable distortion is 0.004 in. (0.10mm).
  15. Clean the cylinder head bolts and the threads in the block. Be sure the bolts turn freely in the block.
  16. Install new head gasket on the engine block.
  17. Be sure the camshaft sprocket timing marks are still aligned, as set during the removal procedure.
  18. Install the cylinder head.

    NOTE: Refer to Section 1 of this manual for the cylinder head torque sequence illustration. The illustration is located after the torque specification chart.

  19. Lubricate the bolt threads and seat surfaces with clean engine oil and install them as follows:
    1. On the 1.5L engines, tighten the bolts in 2–3 steps to 13–16 ft. lbs. (17–22 Nm) in the proper sequence. Paint a reference mark on each bolt head and turn the bolts, in sequence, 90 degrees, then an additional 90 degrees.
    2. On the 1.8L (BP) engines, tighten the bolts in 2–3 steps to 56–60 ft. lbs. (75–81 Nm) in the proper sequence.
  20. Install or connect the following:
  21. Be sure the crankshaft and camshaft sprocket timing marks are aligned.
  22. Install or connect the following:
  23. Remove the engine support tool.
  24. Install or connect the following:
  25. Apply silicone sealant to the cylinder surface in the area adjacent to the front camshaft bearing caps.
  26. Install the cylinder head cover using a new gasket and sealant.
  27. Tighten the cylinder head cover bolts, in 5–6 steps, in sequence, to:
    1. 1.5L (Z5D) engines: 61–95 inch lbs. (7–11 Nm)
    2. 1.8L (BP) engines: 44–78 inch lbs. (5–9 Nm)
  28. Install or connect the following:
  29. Tighten the through-bolt to 32–44 ft. lbs. (44–60 Nm) and the lockbolt to 24–33 ft. lbs. (32–46 Nm).
  30. Install or connect the following:
  31. Fill the cooling system.
  32. Adjust the ignition timing.
  33. Start the engine and check for leaks.
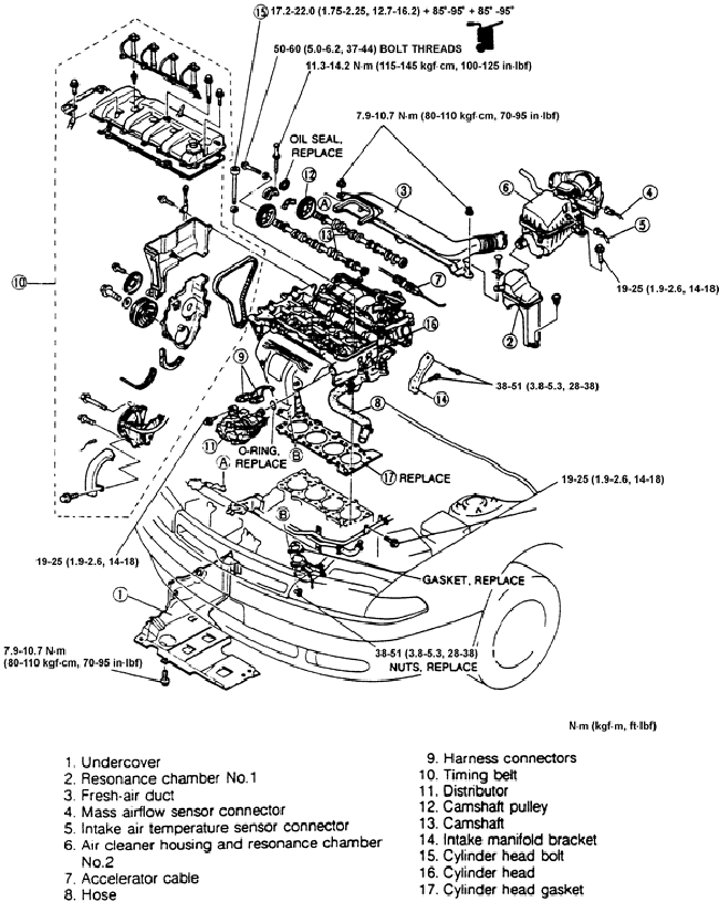
1.6L and 1.8L (FP) Engines
  1. Before servicing the vehicle, refer to the precautions in the beginning of this section.
  2. Properly relieve the fuel system pressure.
  3. Drain the engine coolant.
  4. Remove or disconnect the following:

    To install:

    Fig. 3: Cylinder head bolt removal sequence — 1.6L and 1.8L (FP) engines

    Fig. 4: Replace any bolts that exceed the maximum length — 1.6L and 1.8L engines

  5. Thoroughly, clean the cylinder head and the block contact surfaces.
  6. Clean the cylinder head bolts and the threads in the block. Be sure the bolts turn freely in the block.
  7. Measure the length of the cylinder head bolts, as shown, maximum bolt length is 3.957 in. (100.5mm) for 1.6L engine or 4.154 in. (105.5mm) for 1.8L (FP) engine.
  8. Install or connect the following:

    NOTE: Refer to Section 1 of this manual for the cylinder head torque sequence illustration. The illustration is located after the Torque Specification Chart.

  9. Tighten the cylinder head bolts, in sequence, as follows.
    1. Step 1: 13–16 ft. lbs. (17–22 Nm)
    2. Step 2: Turn 85–95 degrees
    3. Step 3: Turn an additional 85–95 degrees
  10. Install or connect the following:
  11. Refill the engine coolant.
  12. Start the vehicle and check for leaks.

    Fig. 5: Cylinder head gasket positioning — 6-cylinder engines

2.0L Engine
  1. Before servicing the vehicle, refer to the precautions in the beginning of this section.
  2. Relieve the fuel system pressure.
  3. Disconnect the negative battery cable.
  4. Drain the cooling system.
  5. Remove or disconnect the following:
  6. Loosen the cover bolts in 5–6 steps, in the reverse order of the tightening sequence.
  7. Remove or disconnect the following:
  8. Identify each lifter as it is removed so it can be reinstalled in the same position. If the lifters are to be reused, store them upside down in an oil-filled sealed container.
  9. Remove or disconnect the following:
  10. Clean all gasket mating surfaces. Inspect the cylinder head for damage, cracks and water and oil leakage. Check the head gasket surface for distortion using a straightedge and feeler gauge. Maximum allowable distortion is 0.004 in. (0.10mm).

    To install:

  11. Install or connect the following:

    NOTE: Refer to Section 1 of this manual for the cylinder head torque sequence illustration. The illustration is located after the torque specification chart.

  12. Apply clean engine oil to the bolt threads and seating faces.
  13. Install new cylinder head bolts and tighten in 2–3 steps, in sequence, to 13–16 ft. lbs. (17–22 Nm).
  14. Paint a mark on the edge of each cylinder head bolt to use as a reference. Turn each bolt, in sequence, 90 degrees. Again, turn each bolt, in sequence, an additional 90 degrees.
  15. Apply clean engine oil to the hydraulic lifters and install them in their original positions. Be sure they move freely in the bores.
  16. Install or connect the following:
  17. Fill and bleed the cooling system.
  18. Run the engine and check for proper operation.
2.3L Engines
  1. Before servicing the vehicle, refer to the precautions in the beginning of this section.
  2. Relieve the fuel system pressure.
  3. Drain the engine coolant.
  4. Remove or disconnect the following:
  5. Turn the camshafts so the knock pins are aligned with the marks on the camshaft caps. This will reduce the pressure on the adjustment shims.
  6. Note the markings on the camshaft caps prior to removal, so they can be reinstalled in the same positions. The right-hand (rear) caps are marked with numbers and the left-hand (front) caps are marked with letters.
  7. Loosen the front camshaft cap bolts in sequence, in 5–6 steps. Remove the front camshaft caps. Remove the remaining camshaft cap bolts in the proper sequence. Remove the caps, being sure to remove the thrust caps last. Do not damage the cylinder head thrust bearing support.
  8. Remove or disconnect the following:
  9. Identify and mark each lifter as it is removed so it can be reinstalled in the same position.
  10. Remove or disconnect the following:
  11. Temporarily install the No. 3 engine mount, which was removed with the timing belt, to support the engine.
  12. Remove or disconnect the following:
  13. Clean all gasket mating surfaces. Inspect the cylinder head for damage, cracks, and water and oil leakage. Check the head gasket surface for distortion using a straightedge and feeler gauge. Maximum allowable distortion is 0.004 in. (0.10mm).

    To install:

  14. Apply clean engine oil to the O-rings, and install them onto the oil control plugs.
  15. Position new head gaskets on the cylinder block. The gaskets cannot be interchanged between sides and are marked R and L for right and left side.
  16. Install the cylinder heads.

    NOTE: Refer to Section 1 of this manual for the cylinder head torque sequence illustration. The illustration is located after the Torque Specification Chart.

  17. Apply clean engine oil to the threads of new cylinder head bolts and install. Tighten the cylinder head bolts in 2–3 steps, in sequence, to 17–19 ft. lbs. (23–26 Nm).
  18. Paint a mark on the edge of each cylinder head bolt to use as a reference. Turn each bolt, in sequence, 90 degrees. Again, turn each bolt, in sequence, an additional 90 degrees.
  19. Install the rubber insulator onto the left-hand cylinder head.
  20. Fit the knock sensor harness into the drill hole on the cylinder block. Pass the harness under the rubber insulator.
  21. Install or connect the following:
  22. Apply clean engine oil to the camshaft lobes, journals and supports.
  23. Install or connect the following:
  24. Apply silicone sealant, at a thickness of 0.06–0.09 in. (1.5–2.5mm), to the cylinder head surface in the area forward of the camshaft gear cavity.
  25. Install or connect the following:
  26. Measure and adjust the valve clearances.
  27. Remove any sealant and gasket material from the cylinder head cover contact surfaces.
  28. Apply silicone sealant to the cylinder head in the area adjacent to the front and rear camshaft caps.
  29. Install or connect the following:
  30. Fill and bleed the coolant system.
  31. Run the engine and check for leaks.

    Fig. 7: Exploded view of the cylinder head and related components — 2.3L engine

2.5L Engine
  1. Before servicing the vehicle, refer to the precautions in the beginning of this section.
  2. Relieve the fuel system pressure.
  3. Disconnect the negative battery cable.
  4. Drain the cooling system.
  5. Remove or disconnect the following:

    NOTE: Identify each lifter as it is removed so it can be reinstalled in the same position. If the lifters are to be reused, store them upside down in an oil-filled, sealed container.

  6. Clean all gasket mating surfaces. Inspect the cylinder head for damage, cracks, and water and oil leakage. Check the head gasket surface for distortion using a straightedge and feeler gauge. Maximum allowable distortion is 0.004 in. (0.10mm).

    To install:

  7. Position new head gaskets on the cylinder block. The gaskets cannot be interchanged between sides and are marked R and L for right and left side.
  8. Install the cylinder heads.

    NOTE: Refer to Section 1 of this manual for the cylinder head torque sequence illustration. The illustration is located after the Torque Specification Chart.

  9. Apply clean engine oil to the threads of new cylinder head bolts and install. Tighten the cylinder head bolts in 2–3 steps, in sequence, to 17–19 ft. lbs. (23–26 Nm).
  10. Paint a mark on the edge of each cylinder head bolt to use as a reference. Turn each bolt, in sequence, 90 degrees. Again, turn each bolt, in sequence, an additional 90 degrees.
  11. Install or connect the following:
  12. Apply sealant to the cylinder head surface in the area of the front and rear camshaft caps.
  13. Install or connect the following:
  14. Fill and bleed the cooling system.
  15. Adjust the ignition timing and idle speed.
  16. Run the engine and check for proper operation.

Previous Next