Previous Next

Water Pump

REMOVAL & INSTALLATION

1.5L, 1.6L and 1.8L (BP) Engines
  1. Before servicing the vehicle, refer to the precautions in the beginning of this section.
  2. Disconnect the negative battery cable.
  3. Drain the engine coolant.
  4. Remove or disconnect the following:

    To install:

  5. Clean all gasket mating surfaces.
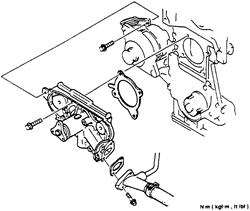
  6. Using a new gasket, install the water pump on the engine. Tighten the mounting bolts to 14–18 ft. lbs. (19–25 Nm). Tighten the bolt from the water pump to the alternator bracket to 28–38 ft. lbs. (38–51 Nm).
  7. Install or connect the following:
  8. Tighten the coolant inlet pipe bolts to 14–18 ft. lbs. (19–25 Nm).
1.8L (FP) and 2.0L Engines

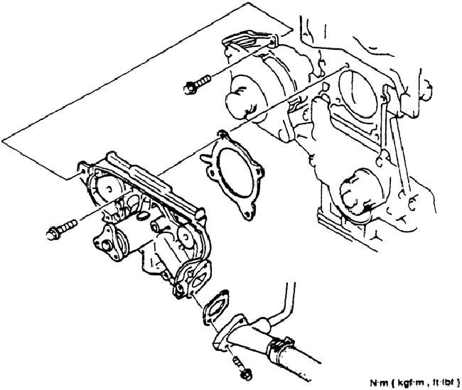
Fig. 2: Exploded view of the water pump assembly — 1.8L (FP) and 2.0L engines

  1. Before servicing the vehicle, refer to the precautions in the beginning of this section.
  2. Remove or disconnect the following:
  3. Drain the cooling system.
  4. Remove or disconnect the following:

    To install:

  5. Clean all gasket mating surfaces.
  6. Install or connect the following:
  7. Fill the cooling system.
  8. Start the engine and bring to normal operating temperature. Check for leaks.
2.5L Engine
  1. Before servicing the vehicle, refer to the precautions in the beginning of this section.
  2. Disconnect the negative battery cable.
  3. Drain the cooling system.
  4. Remove or disconnect the following:

    To install:

  5. Clean the mating surfaces.
  6. Install or connect the following:
  7. Fill the cooling system.
  8. Start the engine and check for leaks.
2.3L Engine
  1. Before servicing the vehicle, refer to the precautions in the beginning of this section.
  2. Disconnect the negative battery cable.
  3. Drain the cooling system.

    To install:

  4. Clean the mating surfaces.
  5. Install or connect the following:
  6. Fill the cooling system.
  7. Start the engine and check for leaks.

Previous Next